LEMON Manuals: Even more car manuals for everyone: 1960-2025
Home >> Toyota >> 2009 >> Matrix Base, Automatic >> Repair and Diagnosis (Single Page) >> Engine Performance >> Engine Control System (2ZR-FE) >> SFI System >> Cranking Holding Function Circuit >> Wiring Diagram
April 5, 2026: LEMON Manuals is launched! Read the announcement.

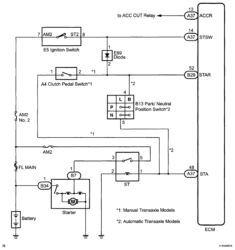
Cranking Holding Function Circuit: Wiring Diagram

Fig 1: Cranking Holding Function Circuit - Wiring Diagram
G06040596Courtesy of © TOYOTA, LICENSE AGREEMENT TMS1002