LEMON Manuals: Even more car manuals for everyone: 1960-2025
Home >> Toyota >> 2009 >> Matrix Base, Automatic >> Repair and Diagnosis >> Accessories & Equipment >> Communication Devices >> Networking >> Can Communication System >> Check CAN Bus Lines for Short Circuit >> Wiring Diagram
April 5, 2026: LEMON Manuals is launched! Read the announcement.

Check CAN Bus Lines for Short Circuit: Wiring Diagram

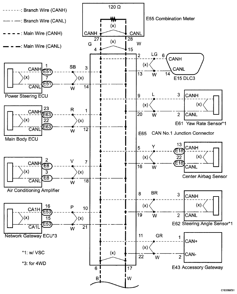
Fig 1: CAN Bus Line - Wiring Diagram (1 Of 2)
G06036191Courtesy of © TOYOTA, LICENSE AGREEMENT TMS1002
Fig 2: CAN Bus Line - Wiring Diagram (2 Of 2)
G06036192Courtesy of © TOYOTA, LICENSE AGREEMENT TMS1002