LEMON Manuals: Even more car manuals for everyone: 1960-2025
Home >> Toyota >> 2009 >> Matrix Base, Automatic >> Repair and Diagnosis >> Electrical >> Body Electrical >> OEM System Circuits >> Electronically Controlled Transmission and A/T Indicator for 2AZ-FE >> Notes
April 5, 2026: LEMON Manuals is launched! Read the announcement.

Electronically Controlled Transmission and A/T Indicator for 2AZ-FE: Notes

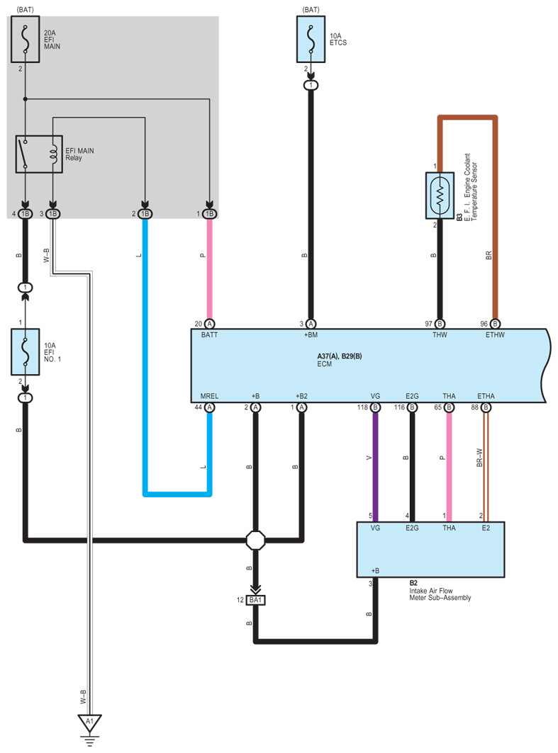
Fig 1: Electronically Controlled Transmission And A/T Indicator For 2AZ-FE - Circuit Diagram (1 Of 6)
G07606286Courtesy of © TOYOTA, LICENSE AGREEMENT TMS1002
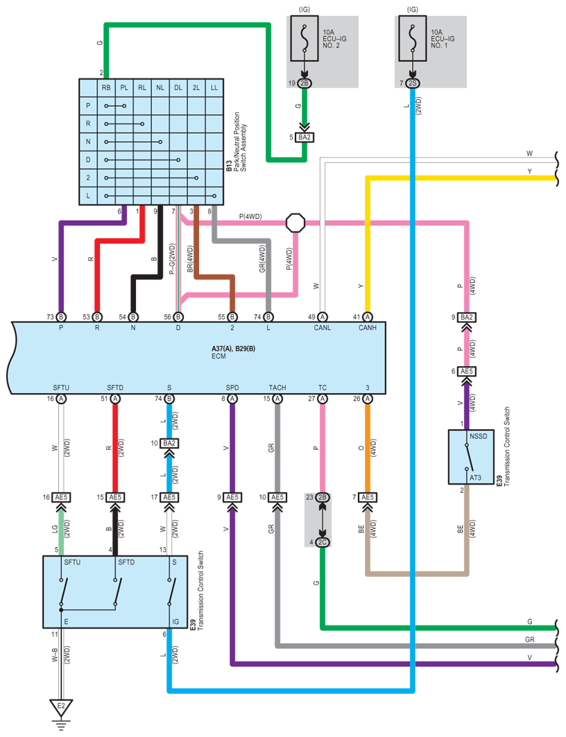
Fig 2: Electronically Controlled Transmission And A/T Indicator For 2AZ-FE - Circuit Diagram (2 Of 6)
G07606287Courtesy of © TOYOTA, LICENSE AGREEMENT TMS1002
Fig 3: Electronically Controlled Transmission And A/T Indicator For 2AZ-FE - Circuit Diagram (3 Of 6)
G07606288Courtesy of © TOYOTA, LICENSE AGREEMENT TMS1002
Fig 4: Electronically Controlled Transmission And A/T Indicator For 2AZ-FE - Circuit Diagram (4 Of 6)
G07606289Courtesy of © TOYOTA, LICENSE AGREEMENT TMS1002
Fig 5: Electronically Controlled Transmission And A/T Indicator For 2AZ-FE - Circuit Diagram (5 Of 6)
G07606290Courtesy of © TOYOTA, LICENSE AGREEMENT TMS1002
Fig 6: Electronically Controlled Transmission And A/T Indicator For 2AZ-FE - Circuit Diagram (6 Of 6)
G07606291Courtesy of © TOYOTA, LICENSE AGREEMENT TMS1002