LEMON Manuals: Even more car manuals for everyone: 1960-2025
Home >> Toyota >> 2009 >> Matrix Base, Automatic >> Repair and Diagnosis >> External Pages >> Different car >> Section 73 (Lighting System (Diagnostic Codes & Circuit Tests)) >> Lighting System >> Circuit Tests >> Ignition Switch Circuit >> Wiring Diagram
April 5, 2026: LEMON Manuals is launched! Read the announcement.

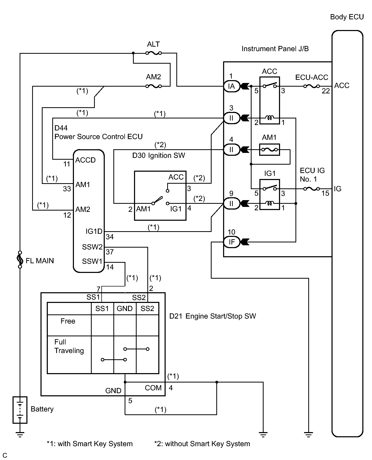
Ignition Switch Circuit: Wiring Diagram

WARNING: This page is about a different car, the 2011 Toyota Avalon. However, it is still accessible from the selected car via links, so may be relevant.
Fig 1: Ignition Switch Circuit - Wiring Diagram
GTY296489Courtesy of © TOYOTA, LICENSE AGREEMENT TMS1002