LEMON Manuals: Even more car manuals for everyone: 1960-2025
Home >> Toyota >> 2009 >> Matrix Base, Automatic >> Repair and Diagnosis >> External Pages >> Different variant/trim >> Section 5 (Engine Cooling System (2AZ-FE)) >> Cooling Fan System >> System Diagram
April 5, 2026: LEMON Manuals is launched! Read the announcement.

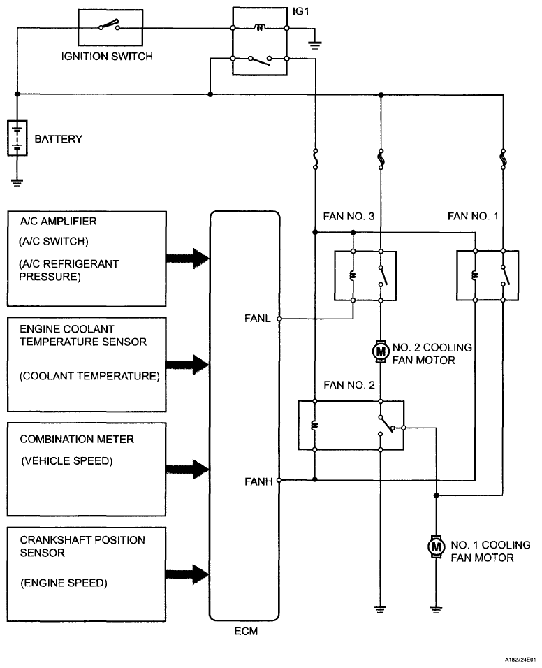
System Diagram

WARNING: This page is about a different variant/trim than selected.
Fig 1: Cooling Fan System Diagram
G06009262Courtesy of © TOYOTA, LICENSE AGREEMENT TMS1002