LEMON Manuals: Even more car manuals for everyone: 1960-2025
Home >> Toyota >> 2009 >> Matrix Base, Automatic >> Repair and Diagnosis >> External Pages >> Different variant/trim >> Section 8 (Engine Control System (2AZ-FE)) >> SFI System >> DTC P0500 Vehicle Speed Sensor "A" >> Wiring Diagram
April 5, 2026: LEMON Manuals is launched! Read the announcement.

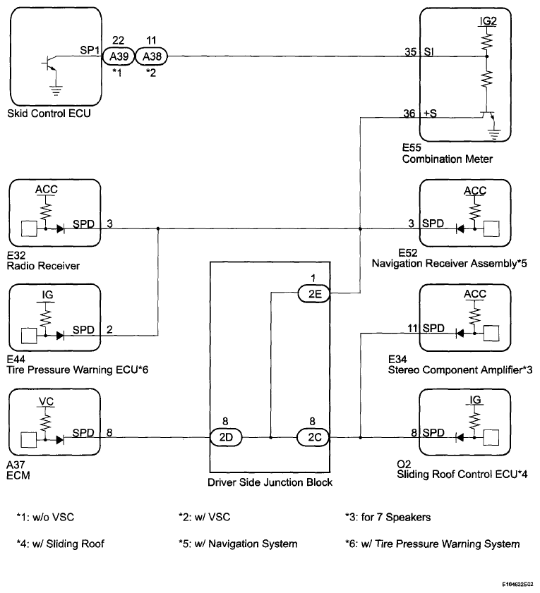
DTC P0500 Vehicle Speed Sensor "A": Wiring Diagram

WARNING: This page is about a different variant/trim than selected.
Fig 1: Vehicle Speed Sensor - Wiring Diagram
G06040116Courtesy of © TOYOTA, LICENSE AGREEMENT TMS1002