LEMON Manuals: Even more car manuals for everyone: 1960-2025
Home >> Toyota >> 2009 >> Matrix Base, Automatic >> Repair and Diagnosis >> Steering >> Power Steering >> Power Assist Steering Systems >> Power Steering System >> Terminals Of Ecu
April 5, 2026: LEMON Manuals is launched! Read the announcement.

Terminals Of Ecu

  1. CHECK POWER STEERING ECU 
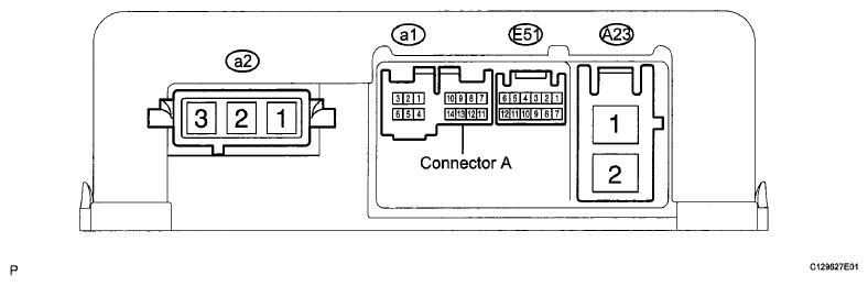
    Fig 1: Identifying Terminals Of ECU Connector
    G06035509Courtesy of © TOYOTA, LICENSE AGREEMENT TMS1002

    HINT:

    As connector "a2" uses a lock lever, each terminal cannot be checked while the connector is still connected to the power steering ECU.

    CONNECTOR TERMINAL REFERENCE

    Terminal No. (Symbol) Wiring Color Terminal Description
    a2-1 (MW) R W phase motor output
    a3-2 (MU) B U phase motor output
    a2-3 (MV) W V phase motor output
    1. Measure the voltage and resistance according to the value(s) in the table below.
      NOTE: When the P/S warning light is illuminated during a malfunction, the fail-safe function may cause the voltage of the power steering ECU terminals to become 0 V.
      CONNECTOR TERMINAL REFERENCE

      Terminal No. (Symbol) Wiring Color Terminal Description Condition Specified Condition
      A23-1 (PIG) - A23-2 (PGND) L - W-B Power source Always 11 to 14 V
      A23-2 (PGND) - Body ground W-B - Body ground Power ground Always Below 1 Ω
      E51-1 (CANH) - E51-7 (CANL) SB-W CAN communication line Ignition switch off 54 to 69 Ω
      E51-6 (IG) - A23-2 (PGND) L - W-B IG power source Ignition switch ON 11 to 14 V
      a1-1 (RSIN) - A23-2 (PGND) -W-B Rotation angle sensor SIN aspect output signal Ignition switch ON
      Steering wheel is turned
      0.68 to 4.42 V
      a1-2 (RCOS) - A23-2 (PGND) -W-B Rotation angle sensor COS aspect output signal Ignition switch ON
      Steering wheel is turned
      0.68 to 4.42 V
      a1-4 (RGND) - A23-2 (PGND) -W-B Rotation angle sensor excitation circuit GND Always Below 1 Ω
      a1-6 (R+) - A23-2 (PGND) -W-B Rotation angle sensor excitation output signal Ignition switch ON
      Steering wheel is turned
      0.68 to 4.42 V
      Connector A-5 (TRQ1) -Connector A-8 (TRQG) - Torque sensor signal Ignition switch ON
      Steering wheel is not turned (without load)
      2.3 to 2.7 V
      Ignition switch ON
      Steering wheel is turned to right with vehicle stopped
      2.5 to 3.8 V
      Ignition switch ON
      Steering wheel is turned to left with vehicle stopped
      1.2 to 2.5 V
      Connector A-6 (TRQV) - Connector A-8 (TRQG) - Torque sensor voltage source Ignition switch ON 4.5 to 5.5 V
      Connector A-7 (TRQ2) -Connector A-8 (TRQG) - Torque sensor signal Ignition switch ON
      Steering wheel is not turned (without load)
      2.3 to 2.7 V
      Ignition switch ON
      Steering wheel is turned to right with vehicle stopped
      1.2 to 2.5 V
      Ignition switch ON
      Steering wheel is turned to left with vehicle stopped
      2.5 to 3.8 V
      Connector A-8 (TRQG) -Body ground - Body ground Torque sensor ground Always Below 1 Ω

      If the result is not as specified, the ECU may have a malfunction.