LEMON Manuals: Even more car manuals for everyone: 1960-2025
Home >> Toyota >> 2009 >> Matrix Base, Standard >> Repair and Diagnosis >> Accessories & Equipment >> Entertainment Systems >> Audio/Visual >> Audio And Visual System >> Steering Pad Switch Circuit >> Wiring Diagram
April 5, 2026: LEMON Manuals is launched! Read the announcement.

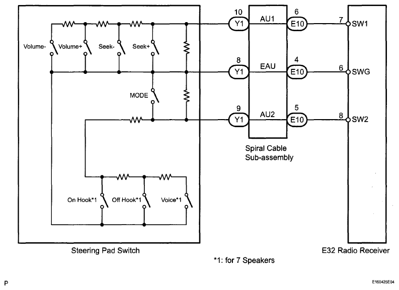
Steering Pad Switch Circuit: Wiring Diagram

Fig 1: Steering Pad Switch Circuit - Wiring Diagram
G06035701Courtesy of © TOYOTA, LICENSE AGREEMENT TMS1002