LEMON Manuals: Even more car manuals for everyone: 1960-2025
Home >> Toyota >> 2009 >> Matrix Base, Standard >> Repair and Diagnosis >> Brakes >> Traction Control >> Brake Control/Dynamic Control System >> Anti-Lock Brake System >> ABS Warning Light Remains ON >> Wiring Diagram
April 5, 2026: LEMON Manuals is launched! Read the announcement.

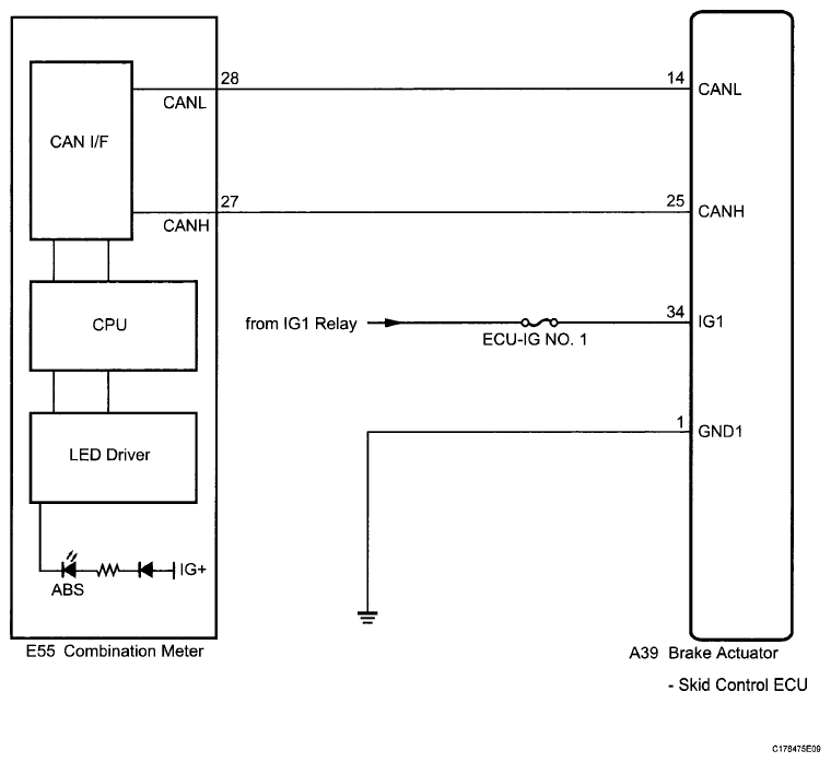
ABS Warning Light Remains ON: Wiring Diagram

Fig 1: ABS Warning Light - Wiring Diagram
G06034928Courtesy of © TOYOTA, LICENSE AGREEMENT TMS1002