LEMON Manuals: Even more car manuals for everyone: 1960-2025
Home >> Toyota >> 2009 >> Matrix Base, Standard >> Repair and Diagnosis >> Electrical >> Body Electrical >> OEM Ground Points >> Ground Point >> Notes
April 5, 2026: LEMON Manuals is launched! Read the announcement.

Ground Point: Notes

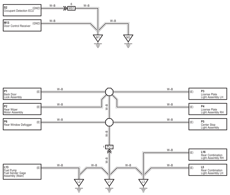
Fig 1: Ground Point - Wiring Diagram (1 Of 5)
G07606386Courtesy of © TOYOTA, LICENSE AGREEMENT TMS1002
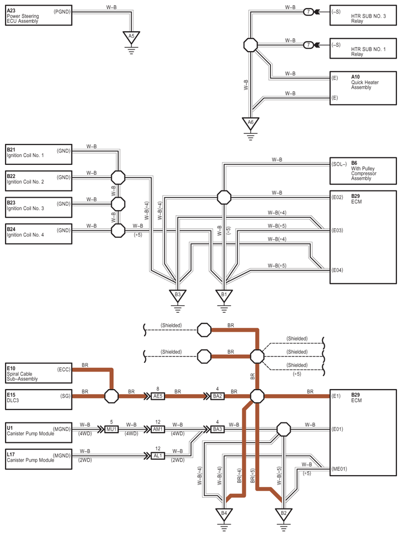
Fig 2: Ground Point - Wiring Diagram (2 Of 5)
G07606387Courtesy of © TOYOTA, LICENSE AGREEMENT TMS1002
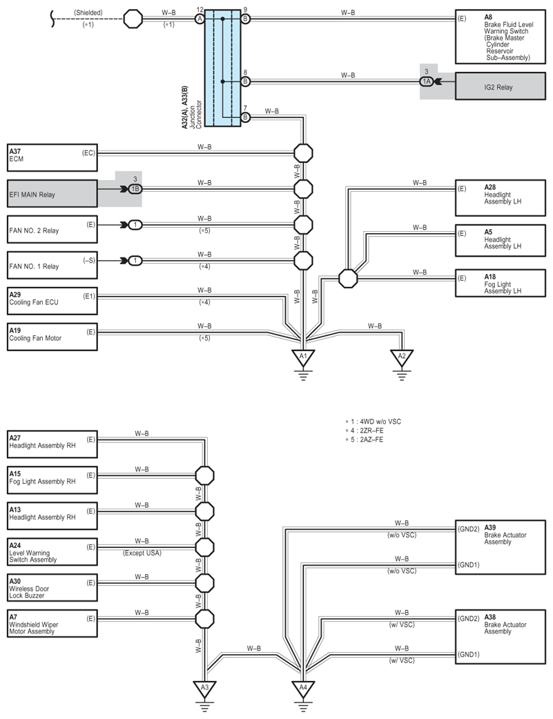
Fig 3: Ground Point - Wiring Diagram (3 Of 5)
G07606388Courtesy of © TOYOTA, LICENSE AGREEMENT TMS1002
Fig 4: Ground Point - Wiring Diagram (4 Of 5)
G07606389Courtesy of © TOYOTA, LICENSE AGREEMENT TMS1002
Fig 5: Ground Point - Wiring Diagram (5 Of 5)
G07606390Courtesy of © TOYOTA, LICENSE AGREEMENT TMS1002