LEMON Manuals: Even more car manuals for everyone: 1960-2025
Home >> Toyota >> 2009 >> Matrix Base, Standard >> Repair and Diagnosis >> Electrical >> Body Electrical >> OEM System Circuits >> ABS with VSC, TRAC and VSC >> Notes
April 5, 2026: LEMON Manuals is launched! Read the announcement.

ABS with VSC, TRAC and VSC: Notes

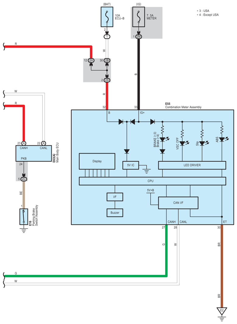
Fig 1: ABS With VSC, TRAC And VSC - Circuit Diagram (1 Of 5)
G07606311Courtesy of © TOYOTA, LICENSE AGREEMENT TMS1002
Fig 2: ABS With VSC, TRAC And VSC - Circuit Diagram (2 Of 5)
G07606312Courtesy of © TOYOTA, LICENSE AGREEMENT TMS1002
Fig 3: ABS With VSC, TRAC And VSC - Circuit Diagram (3 Of 5)
G07606313Courtesy of © TOYOTA, LICENSE AGREEMENT TMS1002
Fig 4: ABS With VSC, TRAC And VSC - Circuit Diagram (4 Of 5)
G07606314Courtesy of © TOYOTA, LICENSE AGREEMENT TMS1002
Fig 5: ABS With VSC, TRAC And VSC - Circuit Diagram (5 Of 5)
G07606315Courtesy of © TOYOTA, LICENSE AGREEMENT TMS1002