LEMON Manuals: Even more car manuals for everyone: 1960-2025
Home >> Toyota >> 2009 >> Matrix Base, Standard >> Repair and Diagnosis >> Electrical >> Body Electrical >> OEM System Circuits >> Cooling Fan for 2ZR-FE >> Notes
April 5, 2026: LEMON Manuals is launched! Read the announcement.

Cooling Fan for 2ZR-FE: Notes

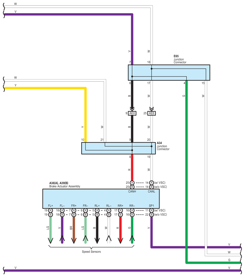
Fig 1: Cooling Fan For 2ZR-FE - Circuit Diagram (1 Of 4)
G07606376Courtesy of © TOYOTA, LICENSE AGREEMENT TMS1002
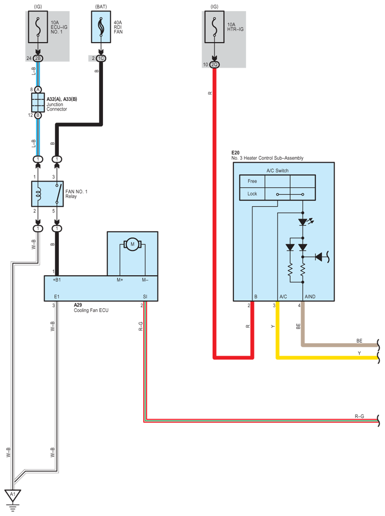
Fig 2: Cooling Fan For 2ZR-FE - Circuit Diagram (2 Of 4)
G07606377Courtesy of © TOYOTA, LICENSE AGREEMENT TMS1002
Fig 3: Cooling Fan For 2ZR-FE - Circuit Diagram (3 Of 4)
G07606378Courtesy of © TOYOTA, LICENSE AGREEMENT TMS1002
Fig 4: Cooling Fan For 2ZR-FE - Circuit Diagram (4 Of 4)
G07606379Courtesy of © TOYOTA, LICENSE AGREEMENT TMS1002