LEMON Manuals: Even more car manuals for everyone: 1960-2025
Home >> Toyota >> 2009 >> Matrix Base, Standard >> Repair and Diagnosis >> Electrical >> Body Electrical >> OEM System Circuits >> Rear Window Defogger and Mirror Heater >> Notes
April 5, 2026: LEMON Manuals is launched! Read the announcement.

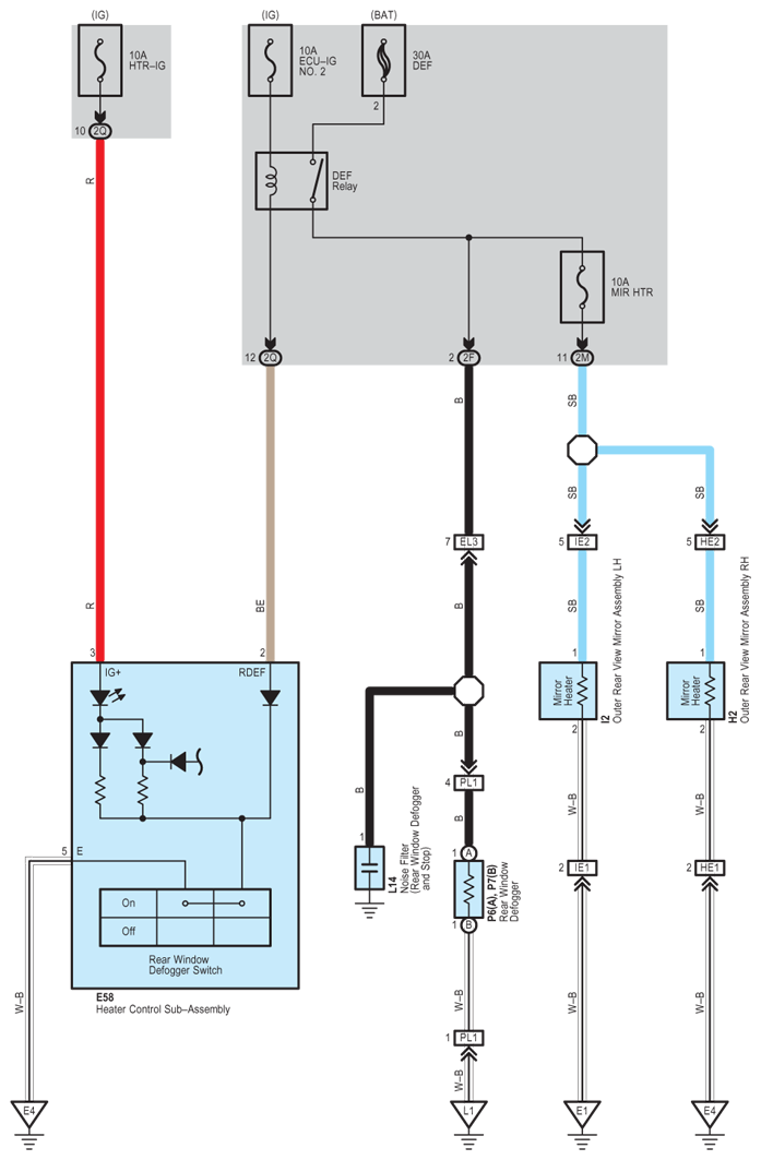
Rear Window Defogger and Mirror Heater: Notes

Fig 1: Rear Window Defogger And Mirror Heater - Circuit Diagram
G07606349Courtesy of © TOYOTA, LICENSE AGREEMENT TMS1002