LEMON Manuals: Even more car manuals for everyone: 1960-2025
Home >> Toyota >> 2009 >> Matrix Base, Standard >> Repair and Diagnosis >> Electrical >> Charging Systems >> Charging System (2ZR-FE) >> Charging System >> System Diagram
April 5, 2026: LEMON Manuals is launched! Read the announcement.

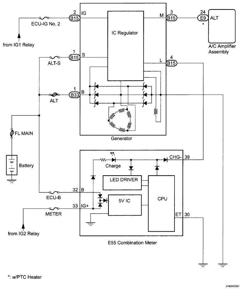
System Diagram

Fig 1: Charging System Diagram
G06036061Courtesy of © TOYOTA, LICENSE AGREEMENT TMS1002