LEMON Manuals: Even more car manuals for everyone: 1960-2025
Home >> Toyota >> 2009 >> Matrix Base, Standard >> Repair and Diagnosis >> External Pages >> Different car >> Section 106 (Multiplex Communication System (Diagnostic Codes)) >> Multiplex Communication System >> DTC B1200: MPX Body ECU Stop >> Wiring Diagram
April 5, 2026: LEMON Manuals is launched! Read the announcement.

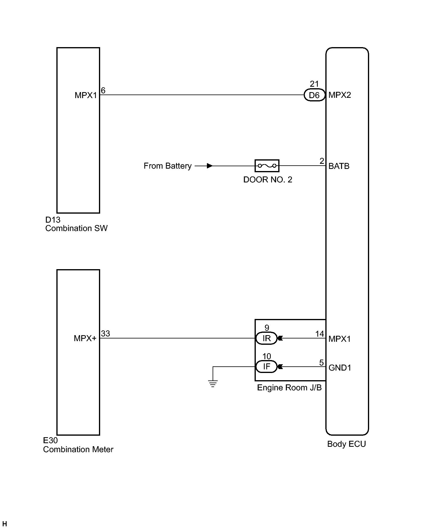
DTC B1200: MPX Body ECU Stop: Wiring Diagram

WARNING: This page is about a different car, the 2011 Toyota Avalon. However, it is still accessible from the selected car via links, so may be relevant.
Fig 1: MPX Body ECU - Wiring Diagram
GTY303573Courtesy of © TOYOTA, LICENSE AGREEMENT TMS1002