LEMON Manuals: Even more car manuals for everyone: 1960-2025
Home >> Toyota >> 2009 >> Matrix Base, Standard >> Repair and Diagnosis >> External Pages >> Different car >> Section 99 (Audio / Visual System (Symptom Tests (Cont.)) >> Audio And Visual System >> Symptom Tests >> Speaker Circuit (TO 12/2010) >> Wiring Diagram
April 5, 2026: LEMON Manuals is launched! Read the announcement.

Speaker Circuit (TO 12/2010): Wiring Diagram

WARNING: This page is about a different car, the 2011 Toyota Avalon. However, it is still accessible from the selected car via links, so may be relevant.
  1. for 12 Speakers 
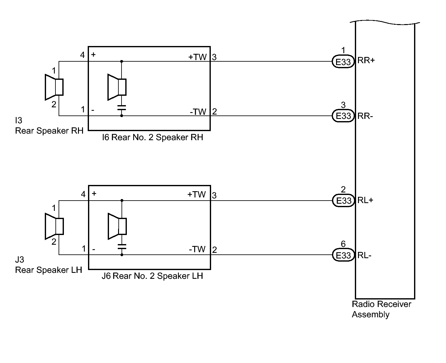
    Fig 1: Radio Receiver Assembly Wiring Diagram (for 12 Speakers) (1 Of 2)
    GTY294880Courtesy of © TOYOTA, LICENSE AGREEMENT TMS1002
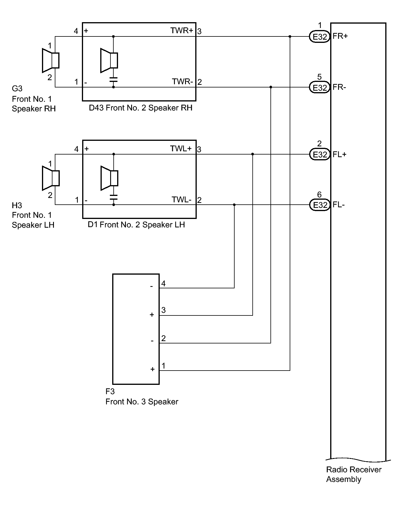
    Fig 2: Radio Receiver Assembly Wiring Diagram (for 12 Speakers) (2 Of 2)
    GTY298171Courtesy of © TOYOTA, LICENSE AGREEMENT TMS1002
  2. for 9 Speakers 
    Fig 3: Radio Receiver Assembly Wiring Diagram (for 9 Speakers) (1 Of 2)
    GTY301297Courtesy of © TOYOTA, LICENSE AGREEMENT TMS1002
    Fig 4: Radio Receiver Assembly Wiring Diagram (for 9 Speakers) (2 Of 2)
    GTY298965Courtesy of © TOYOTA, LICENSE AGREEMENT TMS1002