LEMON Manuals: Even more car manuals for everyone: 1960-2025
Home >> Toyota >> 2009 >> Matrix Base, Standard >> Repair and Diagnosis >> External Pages >> Different variant/trim >> Section 1 (Automatic Transmission - U140F) >> Automatic Transaxle System >> DTC P0705 Transmission Range Sensor Circuit Malfunction (PRNDL Input) >> Wiring Diagram
April 5, 2026: LEMON Manuals is launched! Read the announcement.

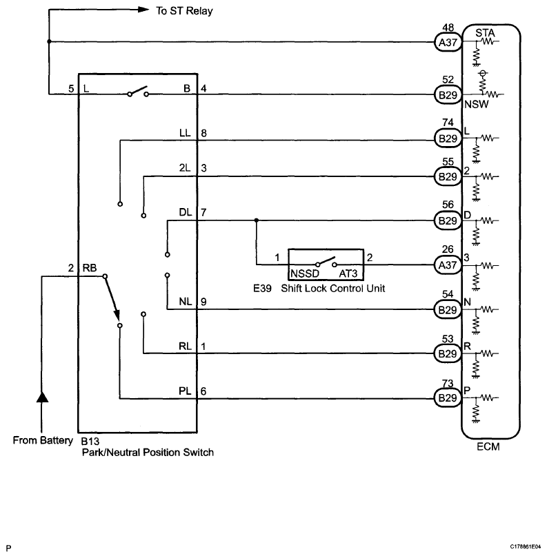
DTC P0705 Transmission Range Sensor Circuit Malfunction (PRNDL Input): Wiring Diagram

WARNING: This page is about a different variant/trim than selected.
Fig 1: Park/Neutral Position Switch And ECM - Wiring Diagram
G06043073Courtesy of © TOYOTA, LICENSE AGREEMENT TMS1002