LEMON Manuals: Even more car manuals for everyone: 1960-2025
Home >> Toyota >> 2009 >> Matrix S, FWD, Standard >> Repair and Diagnosis >> Electrical >> Body Electrical >> OEM System Circuits >> Ignition >> Notes
April 5, 2026: LEMON Manuals is launched! Read the announcement.

OEM System Circuits: Ignition: Notes

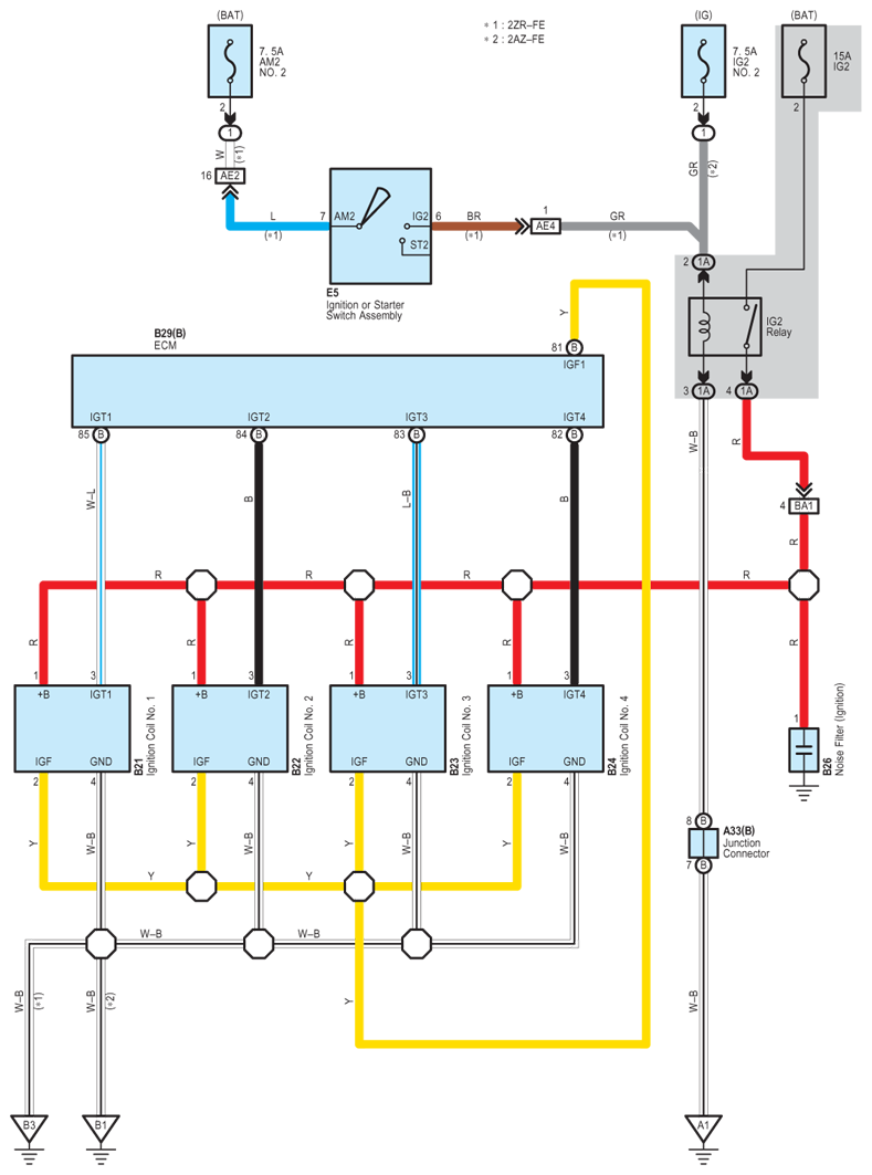
Fig 1: Ignition - Circuit Diagram
G07606217Courtesy of © TOYOTA, LICENSE AGREEMENT TMS1002