LEMON Manuals: Even more car manuals for everyone: 1960-2025
Home >> Toyota >> 2009 >> Prius Base >> Repair and Diagnosis (Single Page) >> Electrical >> Body Electrical >> OEM System Circuits >> Wireless Door Lock Control (w/o Smart Key System) >> Notes
April 5, 2026: LEMON Manuals is launched! Read the announcement.

Wireless Door Lock Control (w/o Smart Key System): Notes

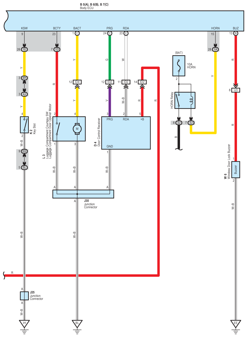
Fig 1: Wireless Door Lock Control (W/O Smart Key System) - Circuit Diagram (1 Of 5)
G07611018Courtesy of © TOYOTA, LICENSE AGREEMENT TMS1002
Fig 2: Wireless Door Lock Control (W/O Smart Key System) - Circuit Diagram (2 Of 5)
G07611019Courtesy of © TOYOTA, LICENSE AGREEMENT TMS1002
Fig 3: Wireless Door Lock Control (W/O Smart Key System) - Circuit Diagram (3 Of 5)
G07611020Courtesy of © TOYOTA, LICENSE AGREEMENT TMS1002
Fig 4: Wireless Door Lock Control (W/O Smart Key System) - Circuit Diagram (4 Of 5)
G07611021Courtesy of © TOYOTA, LICENSE AGREEMENT TMS1002
Fig 5: Wireless Door Lock Control (W/O Smart Key System) - Circuit Diagram (5 Of 5)
G07611022Courtesy of © TOYOTA, LICENSE AGREEMENT TMS1002