LEMON Manuals: Even more car manuals for everyone: 1960-2025
Home >> Toyota >> 2009 >> Prius Base >> Repair and Diagnosis >> Brakes >> Traction Control >> Brake Control >> Electronically Controlled Brake System >> DTC C1311/11 Open in Main Relay 1 Circuit; DTC C1312/12 Short in Main Relay 1 Circuit; DTC C1313/13 Open in Main Relay 2 Circuit; DTC C1314/14 Short in Main Relay 2 Circuit >> Wiring Diagram
April 5, 2026: LEMON Manuals is launched! Read the announcement.

DTC C1311/11 Open in Main Relay 1 Circuit; DTC C1312/12 Short in Main Relay 1 Circuit; DTC C1313/13 Open in Main Relay 2 Circuit; DTC C1314/14 Short in Main Relay 2 Circuit: Wiring Diagram

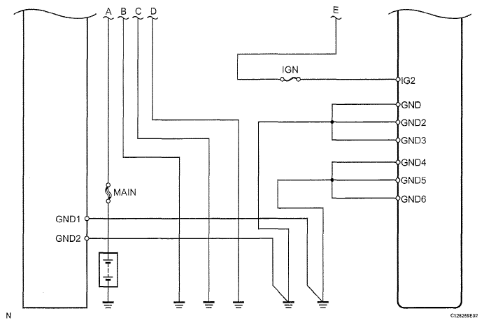
Fig 1: Brake Control Power Supply - Wiring Diagram (1 Of 3)
G05189276Courtesy of © TOYOTA, LICENSE AGREEMENT TMS1002
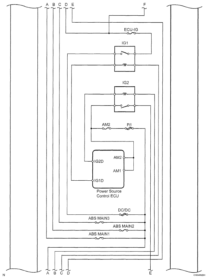
Fig 2: Brake Control Power Supply - Wiring Diagram (2 Of 3)
G05189249Courtesy of © TOYOTA, LICENSE AGREEMENT TMS1002
Fig 3: Brake Control Power Supply - Wiring Diagram (3 Of 3)
G05189278Courtesy of © TOYOTA, LICENSE AGREEMENT TMS1002