LEMON Manuals: Even more car manuals for everyone: 1960-2025
Home >> Toyota >> 2009 >> Prius Base >> Repair and Diagnosis >> Electrical >> Body Electrical >> OEM System Circuits >> Multi-Display and Audio System (Separate Amplifier) >> Notes
April 5, 2026: LEMON Manuals is launched! Read the announcement.

Multi-Display and Audio System (Separate Amplifier): Notes

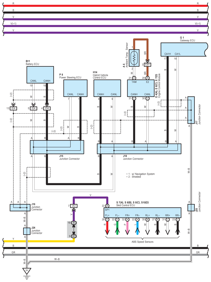
Fig 1: Multi-Display And Audio System (Separate Amplifier) - Circuit Diagram (1 Of 7)
G07611084Courtesy of © TOYOTA, LICENSE AGREEMENT TMS1002
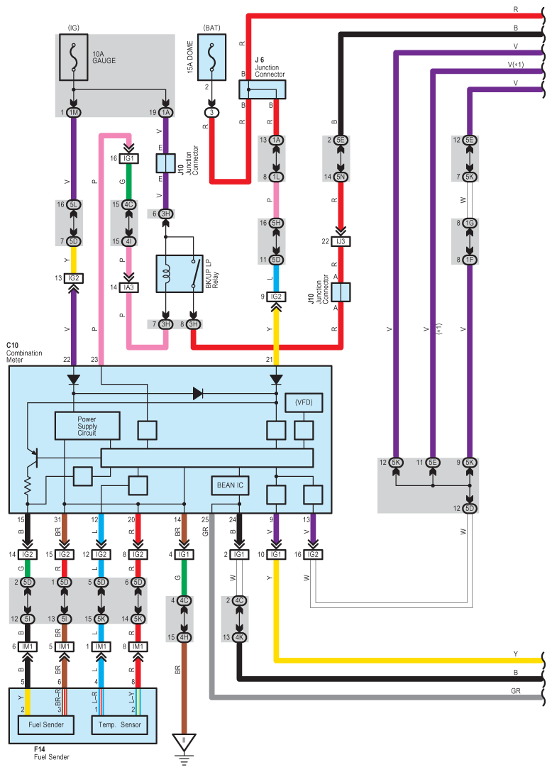
Fig 2: Multi-Display And Audio System (Separate Amplifier) - Circuit Diagram (2 Of 7)
G07611085Courtesy of © TOYOTA, LICENSE AGREEMENT TMS1002
Fig 3: Multi-Display And Audio System (Separate Amplifier) - Circuit Diagram (3 Of 7)
G07611086Courtesy of © TOYOTA, LICENSE AGREEMENT TMS1002
Fig 4: Multi-Display And Audio System (Separate Amplifier) - Circuit Diagram (4 Of 7)
G07611087Courtesy of © TOYOTA, LICENSE AGREEMENT TMS1002
Fig 5: Multi-Display And Audio System (Separate Amplifier) - Circuit Diagram (5 Of 7)
G07611088Courtesy of © TOYOTA, LICENSE AGREEMENT TMS1002
Fig 6: Multi-Display And Audio System (Separate Amplifier) - Circuit Diagram (6 Of 7)
G07611089Courtesy of © TOYOTA, LICENSE AGREEMENT TMS1002
Fig 7: Multi-Display And Audio System (Separate Amplifier) - Circuit Diagram (7 Of 7)
G07611090Courtesy of © TOYOTA, LICENSE AGREEMENT TMS1002