LEMON Manuals: Even more car manuals for everyone: 1960-2025
Home >> Toyota >> 2009 >> Prius Base >> Repair and Diagnosis >> Electrical >> Body Electrical >> OEM System Circuits >> Push Button Start System and Hybrid Vehicle Immobiliser System >> Notes
April 5, 2026: LEMON Manuals is launched! Read the announcement.

Push Button Start System and Hybrid Vehicle Immobiliser System: Notes

Fig 1: Push Button Start System And Hybrid Vehicle Immobiliser System - Circuit Diagram (1 Of 9)
G07610920Courtesy of © TOYOTA, LICENSE AGREEMENT TMS1002
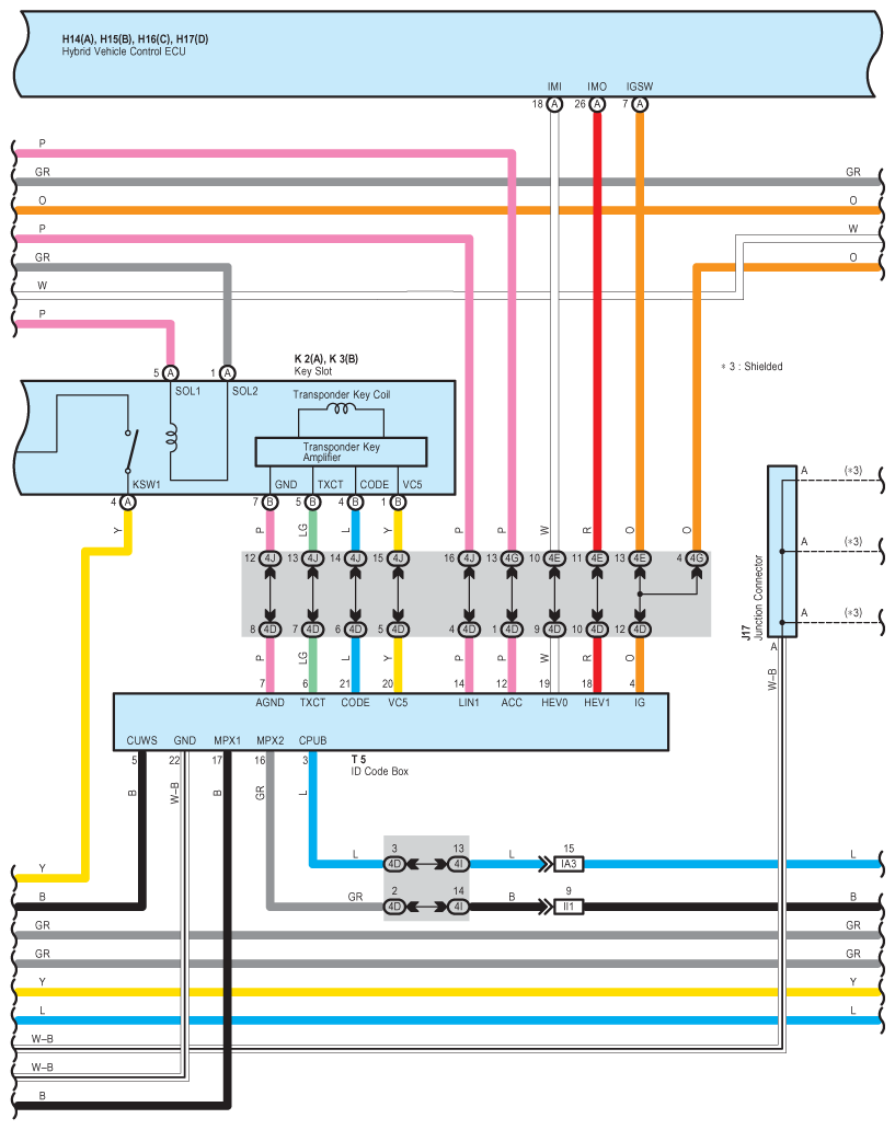
Fig 2: Push Button Start System And Hybrid Vehicle Immobiliser System - Circuit Diagram (2 Of 9)
G07610921Courtesy of © TOYOTA, LICENSE AGREEMENT TMS1002
Fig 3: Push Button Start System And Hybrid Vehicle Immobiliser System - Circuit Diagram (3 Of 9)
G07610922Courtesy of © TOYOTA, LICENSE AGREEMENT TMS1002
Fig 4: Push Button Start System And Hybrid Vehicle Immobiliser System - Circuit Diagram (4 Of 9)
G07610923Courtesy of © TOYOTA, LICENSE AGREEMENT TMS1002
Fig 5: Push Button Start System And Hybrid Vehicle Immobiliser System - Circuit Diagram (5 Of 9)
G07610924Courtesy of © TOYOTA, LICENSE AGREEMENT TMS1002
Fig 6: Push Button Start System And Hybrid Vehicle Immobiliser System - Circuit Diagram (6 Of 9)
G07610925Courtesy of © TOYOTA, LICENSE AGREEMENT TMS1002
Fig 7: Push Button Start System And Hybrid Vehicle Immobiliser System - Circuit Diagram (7 Of 9)
G07610926Courtesy of © TOYOTA, LICENSE AGREEMENT TMS1002
Fig 8: Push Button Start System And Hybrid Vehicle Immobiliser System - Circuit Diagram (8 Of 9)
G07610927Courtesy of © TOYOTA, LICENSE AGREEMENT TMS1002
Fig 9: Push Button Start System And Hybrid Vehicle Immobiliser System - Circuit Diagram (9 Of 9)
G07610928Courtesy of © TOYOTA, LICENSE AGREEMENT TMS1002