LEMON Manuals: Even more car manuals for everyone: 1960-2025
Home >> Toyota >> 2009 >> Prius Base >> Repair and Diagnosis >> Electrical >> Body Electrical >> OEM System Circuits >> Seat Beat Warning >> Notes
April 5, 2026: LEMON Manuals is launched! Read the announcement.

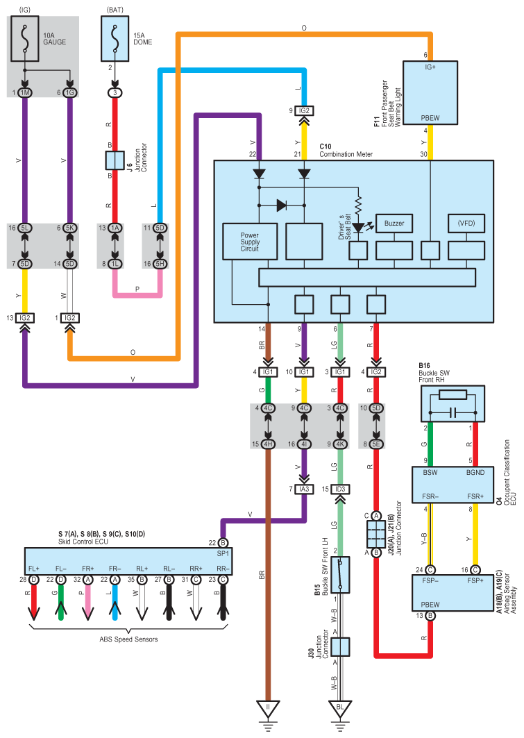
Seat Beat Warning: Notes

Fig 1: Seat Beat Warning - Circuit Diagram
G07610996Courtesy of © TOYOTA, LICENSE AGREEMENT TMS1002