LEMON Manuals: Even more car manuals for everyone: 1960-2025
Home >> Toyota >> 2009 >> Prius Base >> Repair and Diagnosis >> Engine Performance >> Engine Control System >> SFI System >> DTC P0446 Evaporative Emission Control System Vent Control Circuit >> Wiring Diagram
April 5, 2026: LEMON Manuals is launched! Read the announcement.

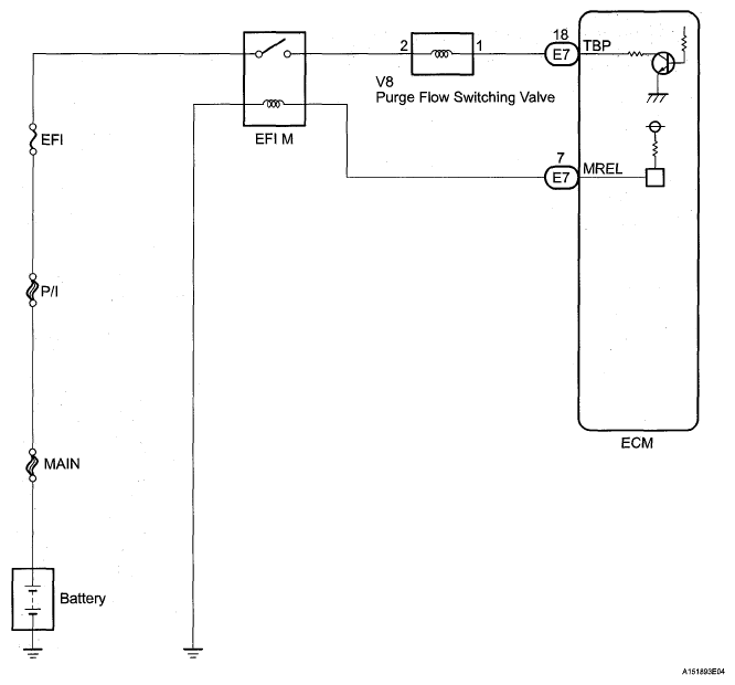
DTC P0446 Evaporative Emission Control System Vent Control Circuit: Wiring Diagram

Fig 1: Canister Pump Module And Canister Pressure Sensor - Wiring Diagram (1 Of 2)
G05188747Courtesy of © TOYOTA, LICENSE AGREEMENT TMS1002
Fig 2: Canister Pump Module And Canister Pressure Sensor - Wiring Diagram (2 Of 2)
G05674094Courtesy of © TOYOTA, LICENSE AGREEMENT TMS1002