LEMON Manuals: Even more car manuals for everyone: 1960-2025
Home >> Toyota >> 2009 >> Prius Touring >> Repair and Diagnosis >> Engine Performance >> Engine Control System >> SFI System >> ECM Power Source Circuit >> Wiring Diagram
April 5, 2026: LEMON Manuals is launched! Read the announcement.

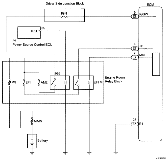
ECM Power Source Circuit: Wiring Diagram

Fig 1: Drive Side Junction Block And ECM - Wiring Diagram
G05188958Courtesy of © TOYOTA, LICENSE AGREEMENT TMS1002