LEMON Manuals: Even more car manuals for everyone: 1960-2025
Home >> Toyota >> 2009 >> RAV4 Base, 2.5 F, AWD >> Repair and Diagnosis >> Body & Frame >> Windows >> Windshield/Window Glass >> Window Defogger System >> System Diagram
April 5, 2026: LEMON Manuals is launched! Read the announcement.

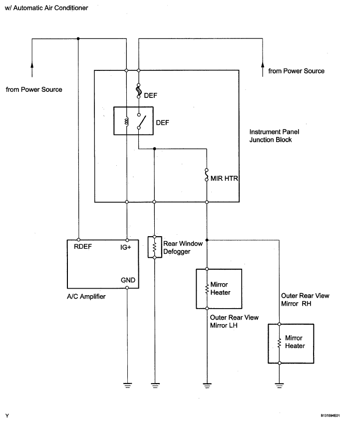
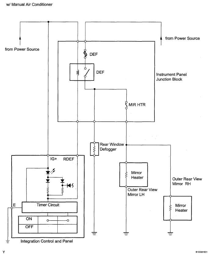
System Diagram

Fig 1: Window Defogger System Diagram (1 Of 2)
G05586532Courtesy of © TOYOTA, LICENSE AGREEMENT TMS1002
Fig 2: Window Defogger System Diagram (2 Of 2)
G05586533Courtesy of © TOYOTA, LICENSE AGREEMENT TMS1002