LEMON Manuals: Even more car manuals for everyone: 1960-2025
Home >> Toyota >> 2009 >> RAV4 Base, 2.5 F, AWD >> Repair and Diagnosis >> Electrical >> Body Electrical >> OEM System Circuits >> 4WD >> Notes
April 5, 2026: LEMON Manuals is launched! Read the announcement.

OEM System Circuits: 4WD: Notes

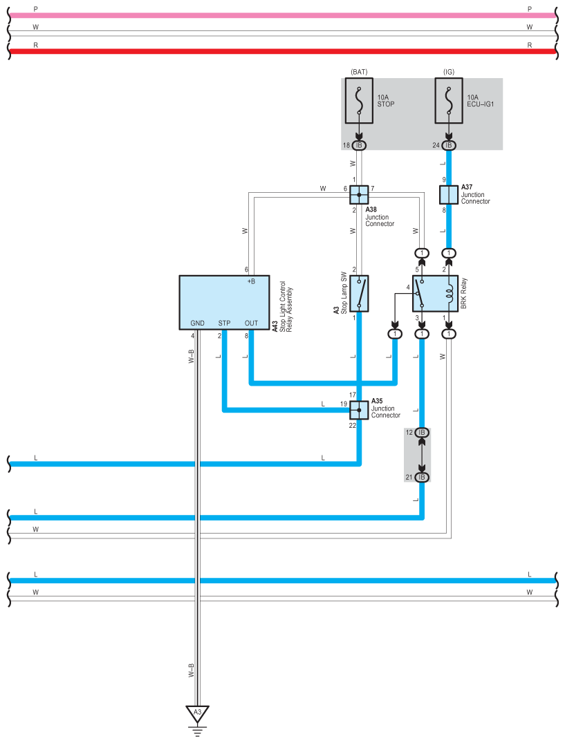
Fig 1: 4Wd - Circuit Diagram (1 Of 7)
G07611689Courtesy of © TOYOTA, LICENSE AGREEMENT TMS1002
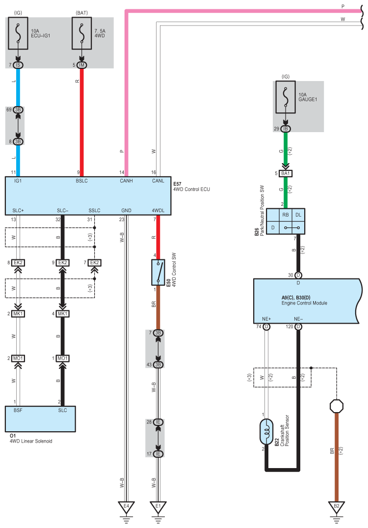
Fig 2: 4Wd - Circuit Diagram (2 Of 7)
G07611690Courtesy of © TOYOTA, LICENSE AGREEMENT TMS1002
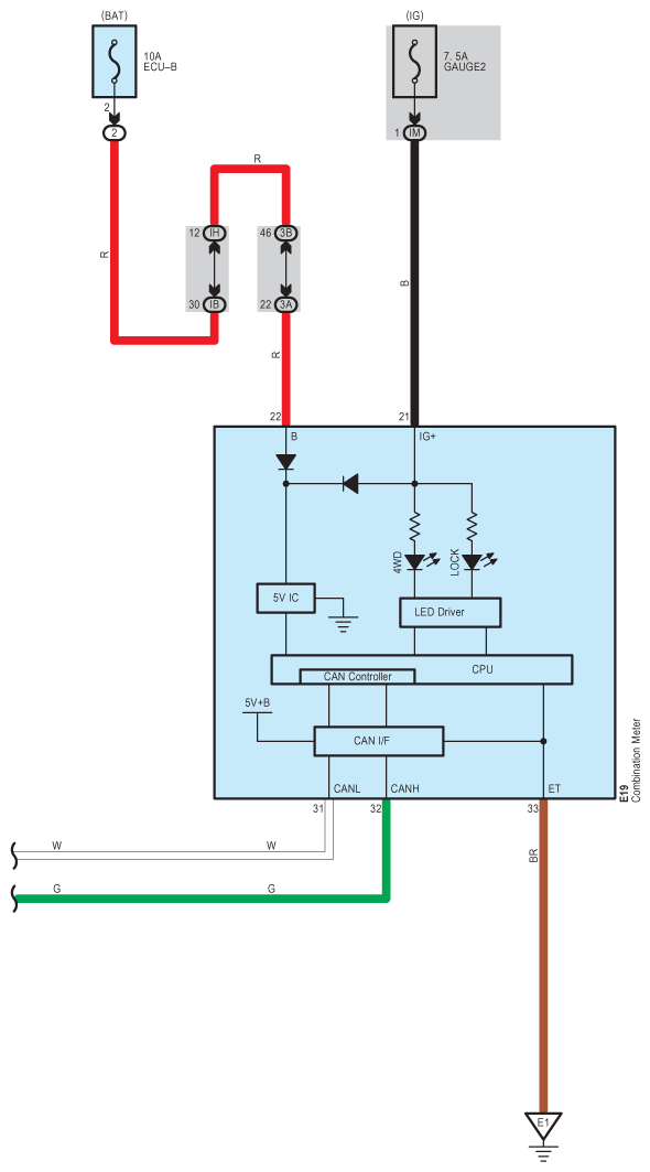
Fig 3: 4Wd - Circuit Diagram (3 Of 7)
G07611691Courtesy of © TOYOTA, LICENSE AGREEMENT TMS1002
Fig 4: 4Wd - Circuit Diagram (4 Of 7)
G07611692Courtesy of © TOYOTA, LICENSE AGREEMENT TMS1002
Fig 5: 4Wd - Circuit Diagram (5 Of 7)
G07611693Courtesy of © TOYOTA, LICENSE AGREEMENT TMS1002
Fig 6: 4Wd - Circuit Diagram (6 Of 7)
G07611694Courtesy of © TOYOTA, LICENSE AGREEMENT TMS1002
Fig 7: 4Wd - Circuit Diagram (7 Of 7)
G07611695Courtesy of © TOYOTA, LICENSE AGREEMENT TMS1002