LEMON Manuals: Even more car manuals for everyone: 1960-2025
Home >> Toyota >> 2009 >> RAV4 Base, 2.5 F, AWD >> Repair and Diagnosis >> Electrical >> Body Electrical >> OEM System Circuits >> Cruise Control (2GR-FE) >> Notes
April 5, 2026: LEMON Manuals is launched! Read the announcement.

Cruise Control (2GR-FE): Notes

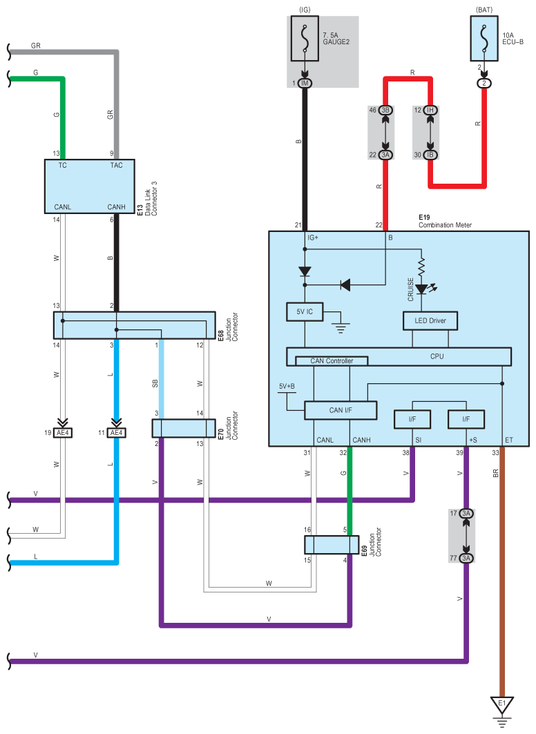
Fig 1: Cruise Control (2GR-FE) - Circuit Diagram (1 Of 6)
G07611677Courtesy of © TOYOTA, LICENSE AGREEMENT TMS1002
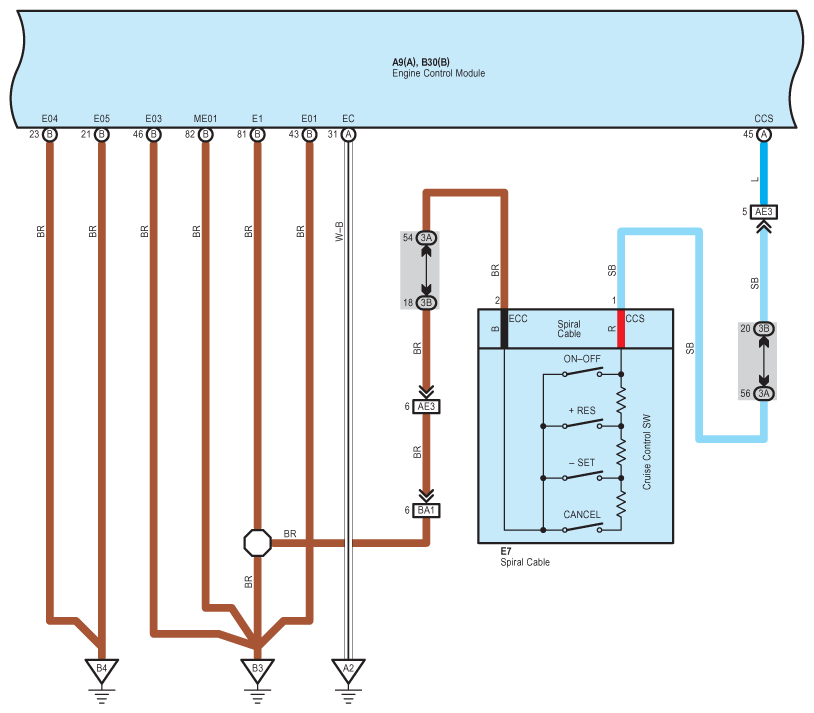
Fig 2: Cruise Control (2GR-FE) - Circuit Diagram (2 Of 6)
G07611678Courtesy of © TOYOTA, LICENSE AGREEMENT TMS1002
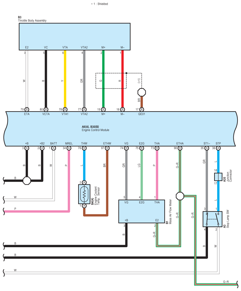
Fig 3: Cruise Control (2GR-FE) - Circuit Diagram (3 Of 6)
G07611679Courtesy of © TOYOTA, LICENSE AGREEMENT TMS1002
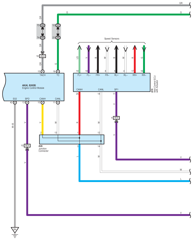
Fig 4: Cruise Control (2GR-FE) - Circuit Diagram (4 Of 6)
G07611680Courtesy of © TOYOTA, LICENSE AGREEMENT TMS1002
Fig 5: Cruise Control (2GR-FE) - Circuit Diagram (5 Of 6)
G07611681Courtesy of © TOYOTA, LICENSE AGREEMENT TMS1002
Fig 6: Cruise Control (2GR-FE) - Circuit Diagram (6 Of 6)
G07611682Courtesy of © TOYOTA, LICENSE AGREEMENT TMS1002