LEMON Manuals: Even more car manuals for everyone: 1960-2025
Home >> Toyota >> 2009 >> RAV4 Base, 2.5 F, AWD >> Repair and Diagnosis >> Electrical >> Body Electrical >> OEM System Circuits >> Engine Control (2AR-FE) >> Notes
April 5, 2026: LEMON Manuals is launched! Read the announcement.

Engine Control (2AR-FE): Notes

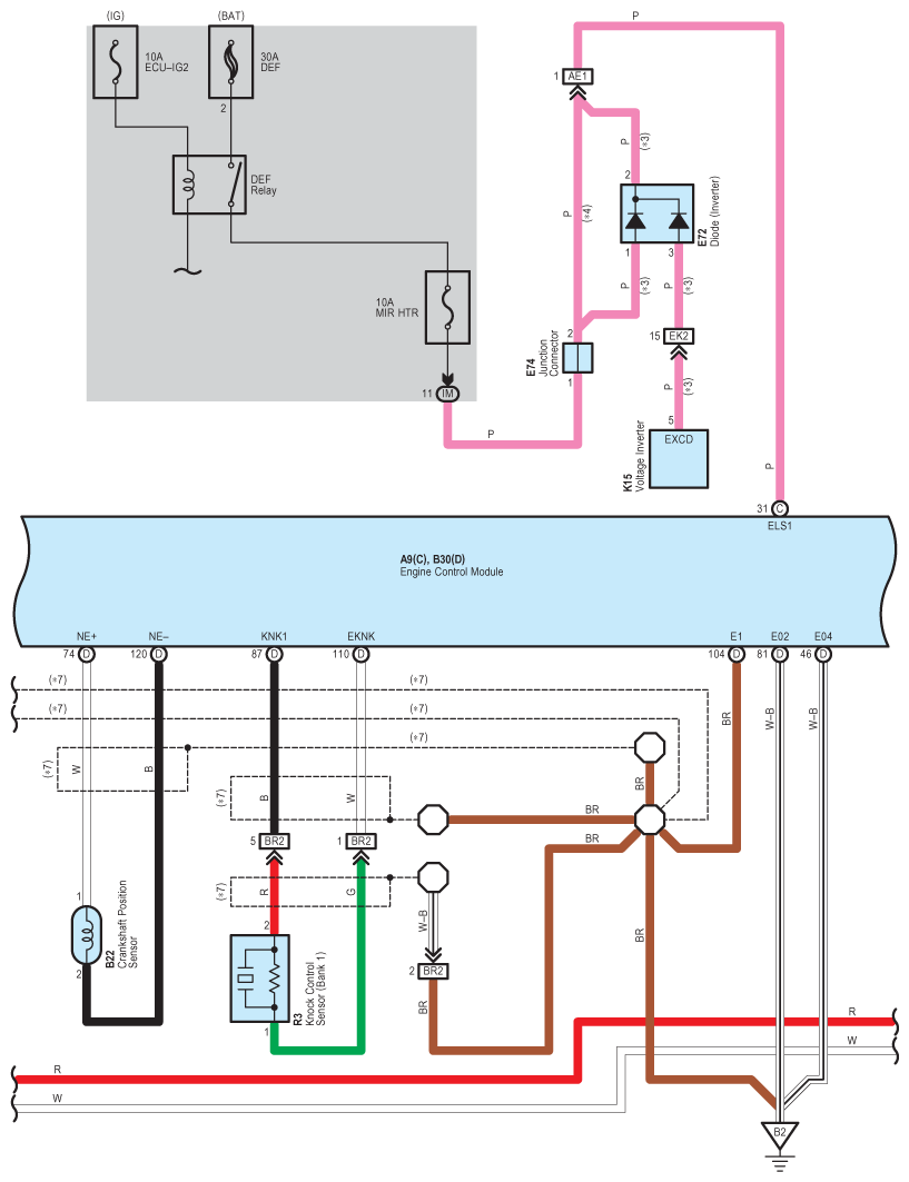
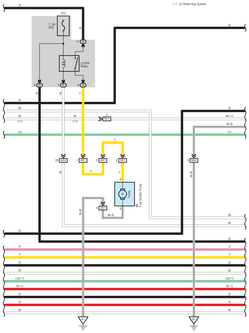
Fig 1: Engine Control (2AR-FE) - Circuit Diagram (1 Of 12)
G07611599Courtesy of © TOYOTA, LICENSE AGREEMENT TMS1002
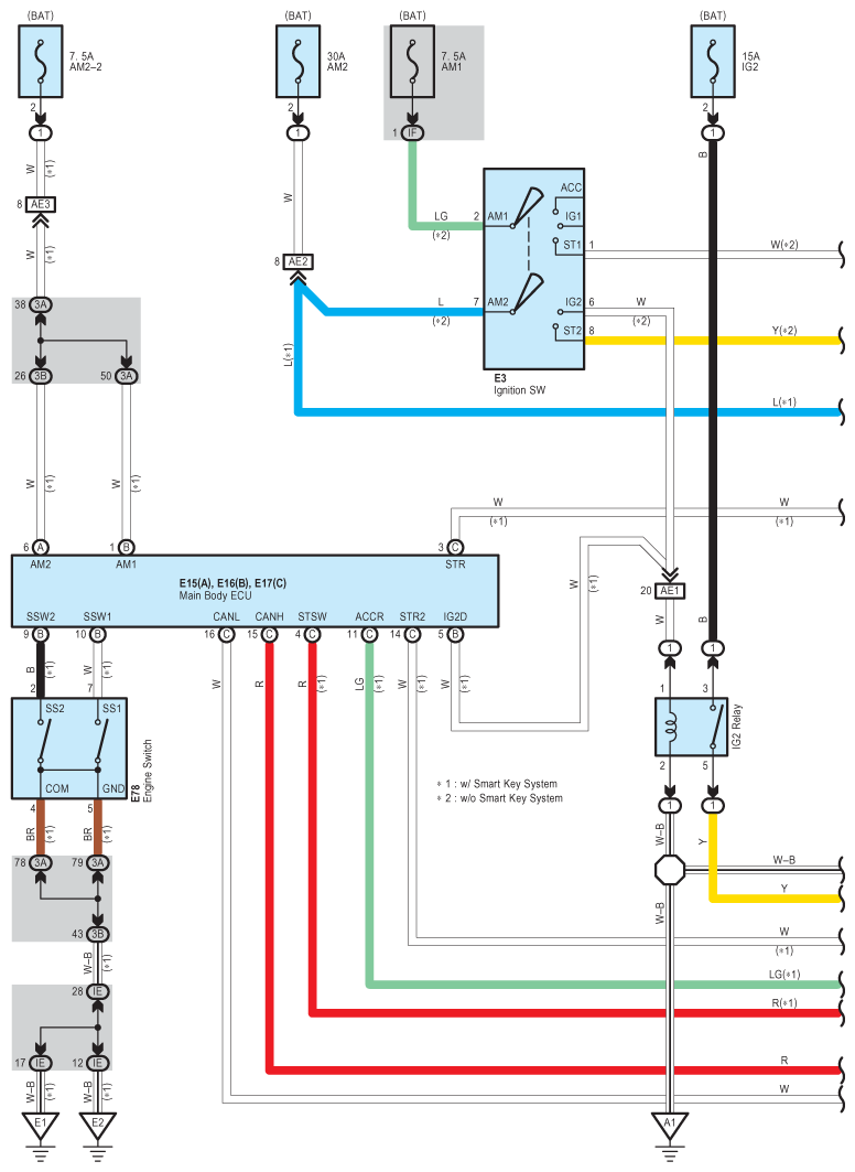
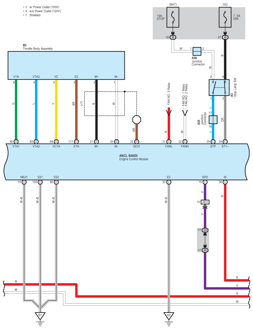
Fig 2: Engine Control (2AR-FE) - Circuit Diagram (2 Of 12)
G07611600Courtesy of © TOYOTA, LICENSE AGREEMENT TMS1002
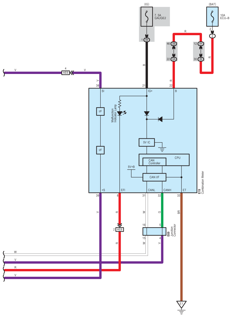
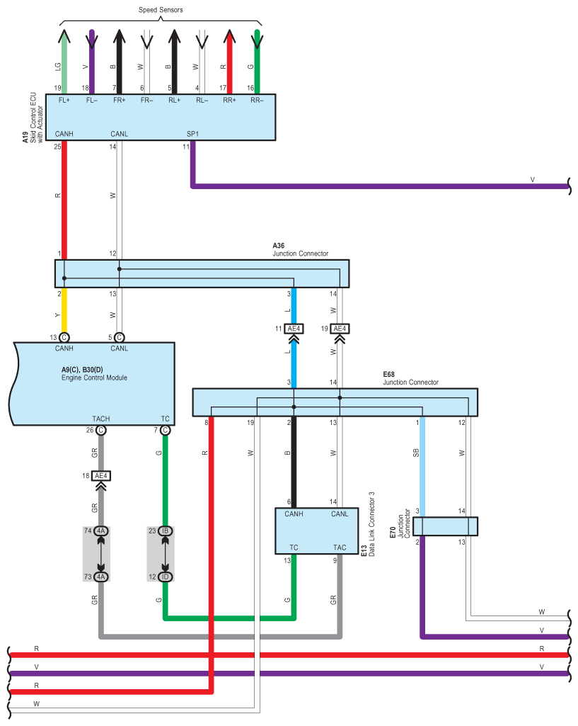
Fig 3: Engine Control (2AR-FE) - Circuit Diagram (3 Of 12)
G07611601Courtesy of © TOYOTA, LICENSE AGREEMENT TMS1002
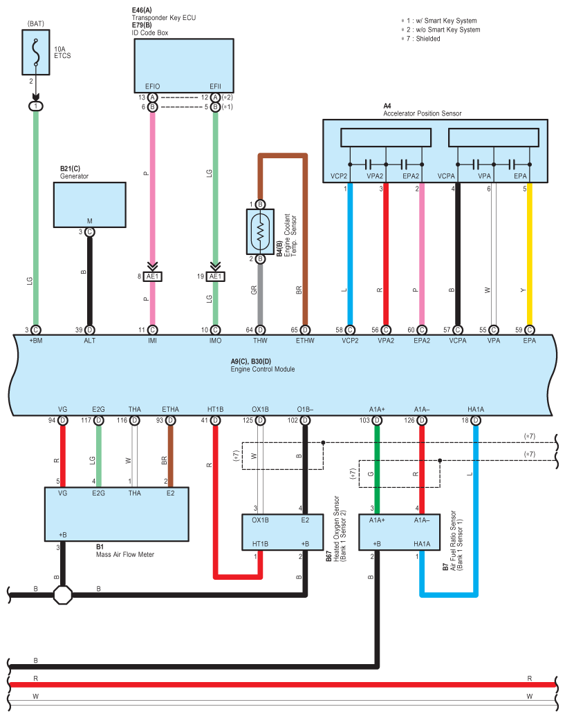
Fig 4: Engine Control (2AR-FE) - Circuit Diagram (4 Of 12)
G07611602Courtesy of © TOYOTA, LICENSE AGREEMENT TMS1002
Fig 5: Engine Control (2AR-FE) - Circuit Diagram (5 Of 12)
G07611603Courtesy of © TOYOTA, LICENSE AGREEMENT TMS1002
Fig 6: Engine Control (2AR-FE) - Circuit Diagram (6 Of 12)
G07611604Courtesy of © TOYOTA, LICENSE AGREEMENT TMS1002
Fig 7: Engine Control (2AR-FE) - Circuit Diagram (7 Of 12)
G07611605Courtesy of © TOYOTA, LICENSE AGREEMENT TMS1002
Fig 8: Engine Control (2AR-FE) - Circuit Diagram (8 Of 12)
G07611606Courtesy of © TOYOTA, LICENSE AGREEMENT TMS1002
Fig 9: Engine Control (2AR-FE) - Circuit Diagram (9 Of 12)
G07611607Courtesy of © TOYOTA, LICENSE AGREEMENT TMS1002
Fig 10: Engine Control (2AR-FE) - Circuit Diagram (10 Of 12)
G07611608Courtesy of © TOYOTA, LICENSE AGREEMENT TMS1002
Fig 11: Engine Control (2AR-FE) - Circuit Diagram (11 Of 12)
G07611609Courtesy of © TOYOTA, LICENSE AGREEMENT TMS1002
Fig 12: Engine Control (2AR-FE) - Circuit Diagram (12 Of 12)
G07611610Courtesy of © TOYOTA, LICENSE AGREEMENT TMS1002