LEMON Manuals: Even more car manuals for everyone: 1960-2025
Home >> Toyota >> 2009 >> RAV4 Base, 2.5 F, AWD >> Repair and Diagnosis >> Electrical >> Body Electrical >> OEM System Circuits >> Engine Immobiliser System (w/o Smart Key System) >> Notes
April 5, 2026: LEMON Manuals is launched! Read the announcement.

Engine Immobiliser System (w/o Smart Key System): Notes

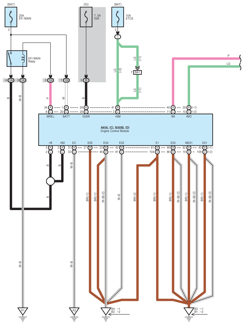
Fig 1: Engine Immobiliser System (W/O Smart Key System) - Circuit Diagram (1 Of 2)
G07611612Courtesy of © TOYOTA, LICENSE AGREEMENT TMS1002
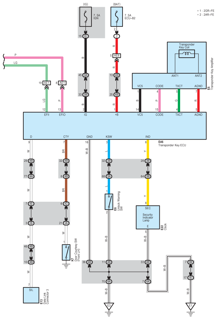
Fig 2: Engine Immobiliser System (W/O Smart Key System) - Circuit Diagram (2 Of 2)
G07611613Courtesy of © TOYOTA, LICENSE AGREEMENT TMS1002