LEMON Manuals: Even more car manuals for everyone: 1960-2025
Home >> Toyota >> 2009 >> RAV4 Base, 2.5 F, AWD >> Repair and Diagnosis >> Electrical >> Body Electrical >> OEM System Circuits >> Horn >> Notes
April 5, 2026: LEMON Manuals is launched! Read the announcement.

OEM System Circuits: Horn: Notes

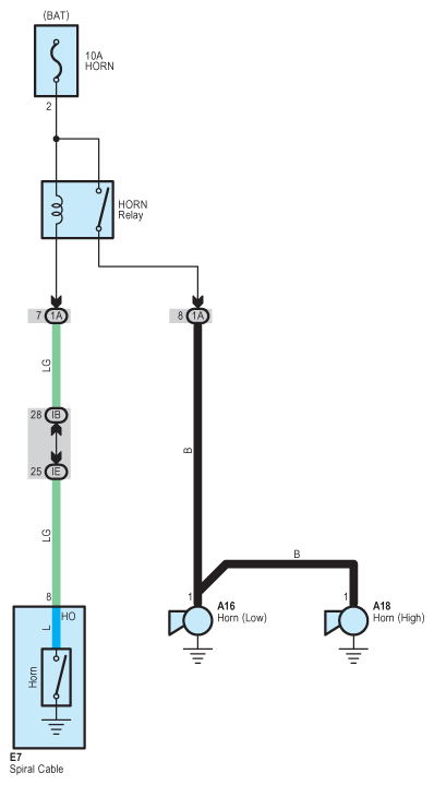
Fig 1: Horn - Circuit Diagram
G07611713Courtesy of © TOYOTA, LICENSE AGREEMENT TMS1002