LEMON Manuals: Even more car manuals for everyone: 1960-2025
Home >> Toyota >> 2009 >> RAV4 Base, 2.5 F, AWD >> Repair and Diagnosis >> Electrical >> Body Electrical >> OEM System Circuits >> Power Seat >> Notes
April 5, 2026: LEMON Manuals is launched! Read the announcement.

Power Seat: Notes

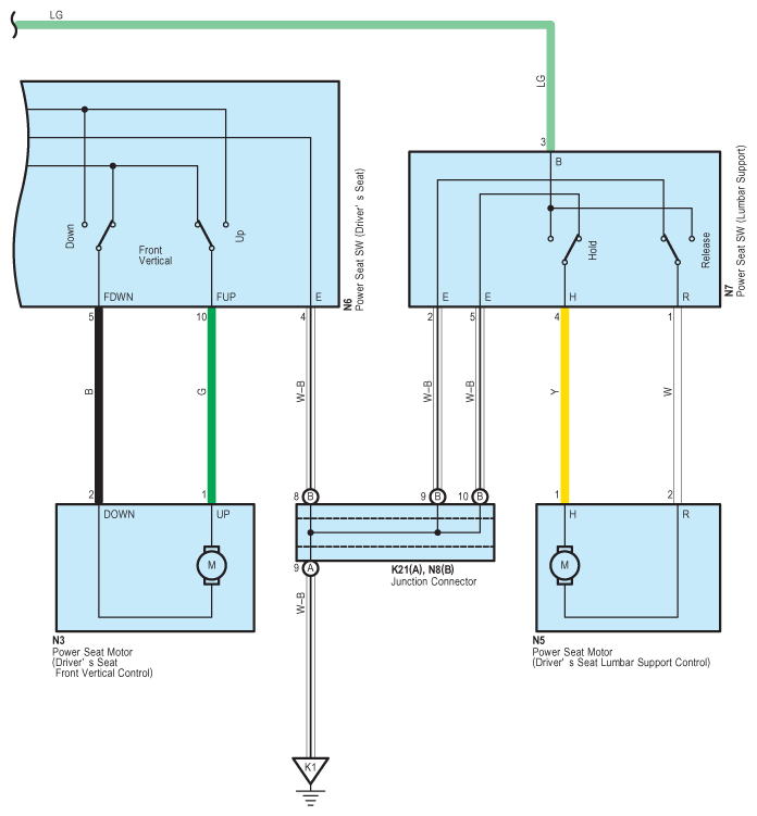
Fig 1: Power Seat - Circuit Diagram (1 Of 2)
G07611643Courtesy of © TOYOTA, LICENSE AGREEMENT TMS1002
Fig 2: Power Seat - Circuit Diagram (2 Of 2)
G07611644Courtesy of © TOYOTA, LICENSE AGREEMENT TMS1002