LEMON Manuals: Even more car manuals for everyone: 1960-2025
Home >> Toyota >> 2009 >> RAV4 Base, 2.5 F, AWD >> Repair and Diagnosis >> Electrical >> Body Electrical >> OEM System Circuits >> Smart Key System >> Notes
April 5, 2026: LEMON Manuals is launched! Read the announcement.

Smart Key System: Notes

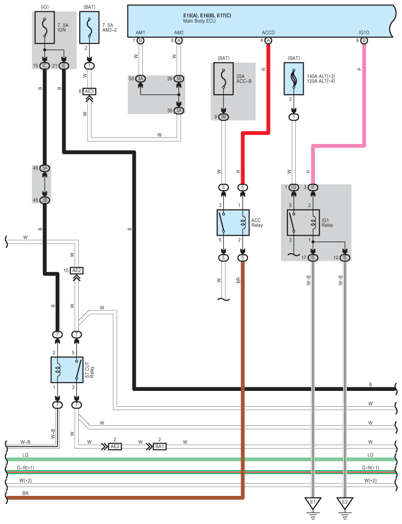
Fig 1: Smart Key System - Circuit Diagram (1 Of 16)
G07611553Courtesy of © TOYOTA, LICENSE AGREEMENT TMS1002
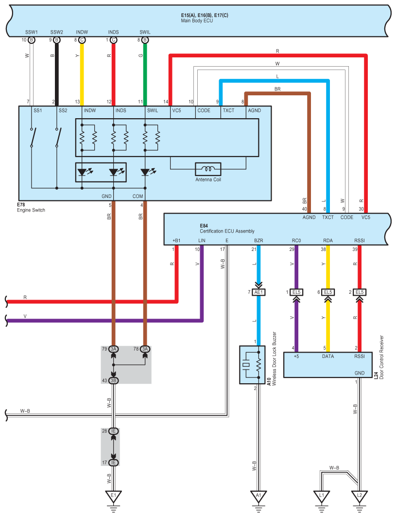
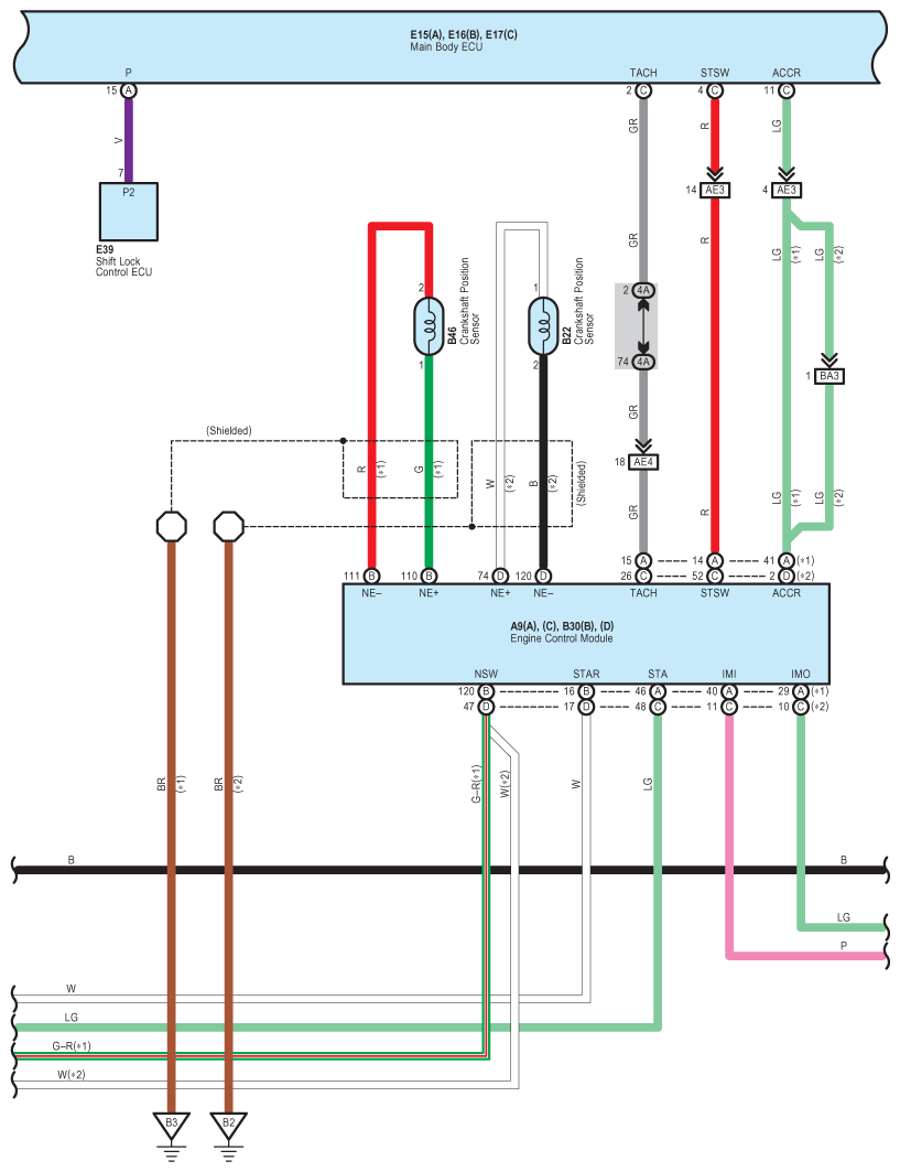
Fig 2: Smart Key System - Circuit Diagram (2 Of 16)
G07611554Courtesy of © TOYOTA, LICENSE AGREEMENT TMS1002
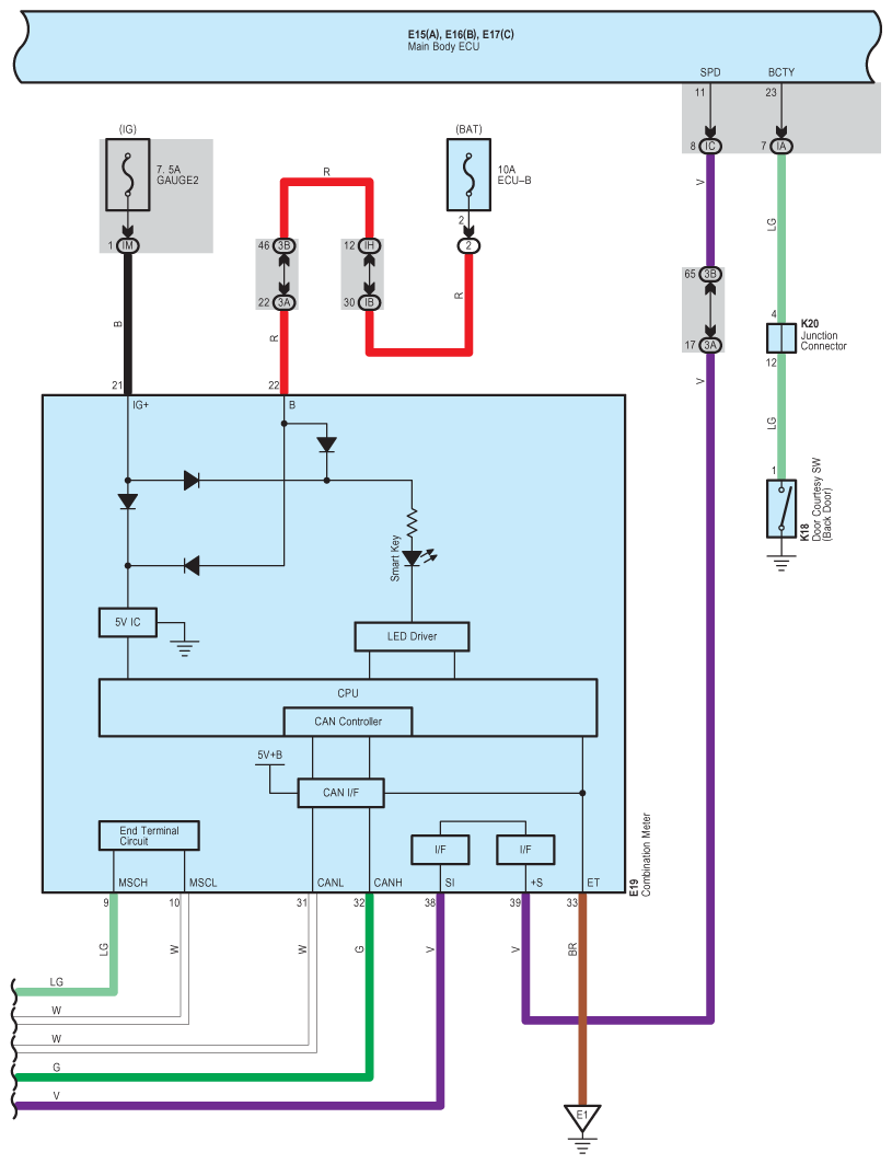
Fig 3: Smart Key System - Circuit Diagram (3 Of 16)
G07611555Courtesy of © TOYOTA, LICENSE AGREEMENT TMS1002
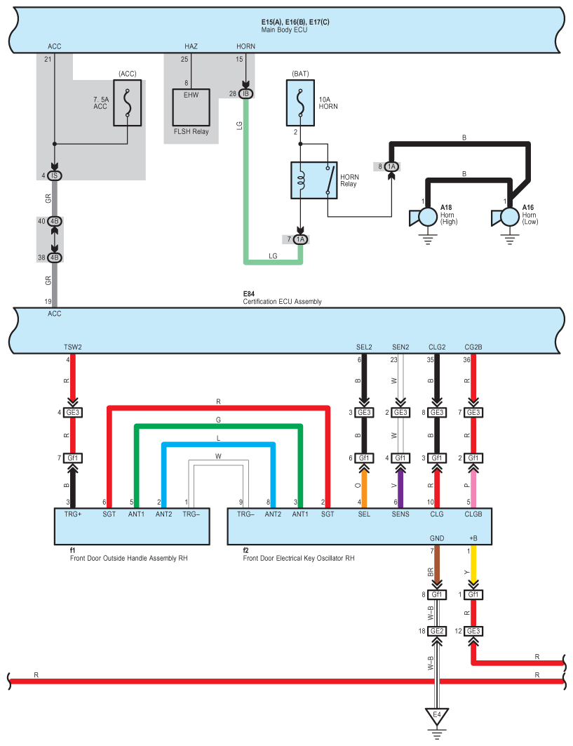
Fig 4: Smart Key System - Circuit Diagram (4 Of 16)
G07611556Courtesy of © TOYOTA, LICENSE AGREEMENT TMS1002
Fig 5: Smart Key System - Circuit Diagram (5 Of 16)
G07611557Courtesy of © TOYOTA, LICENSE AGREEMENT TMS1002
Fig 6: Smart Key System - Circuit Diagram (6 Of 16)
G07611558Courtesy of © TOYOTA, LICENSE AGREEMENT TMS1002
Fig 7: Smart Key System - Circuit Diagram (7 Of 16)
G07611559Courtesy of © TOYOTA, LICENSE AGREEMENT TMS1002
Fig 8: Smart Key System - Circuit Diagram (8 Of 16)
G07611560Courtesy of © TOYOTA, LICENSE AGREEMENT TMS1002
Fig 9: Smart Key System - Circuit Diagram (9 Of 16)
G07611561Courtesy of © TOYOTA, LICENSE AGREEMENT TMS1002
Fig 10: Smart Key System - Circuit Diagram (10 Of 16)
G07611562Courtesy of © TOYOTA, LICENSE AGREEMENT TMS1002
Fig 11: Smart Key System - Circuit Diagram (11 Of 16)
G07611563Courtesy of © TOYOTA, LICENSE AGREEMENT TMS1002
Fig 12: Smart Key System - Circuit Diagram (12 Of 16)
G07611564Courtesy of © TOYOTA, LICENSE AGREEMENT TMS1002
Fig 13: Smart Key System - Circuit Diagram (13 Of 16)
G07611565Courtesy of © TOYOTA, LICENSE AGREEMENT TMS1002
Fig 14: Smart Key System - Circuit Diagram (14 Of 16)
G07611566Courtesy of © TOYOTA, LICENSE AGREEMENT TMS1002
Fig 15: Smart Key System - Circuit Diagram (15 Of 16)
G07611567Courtesy of © TOYOTA, LICENSE AGREEMENT TMS1002
Fig 16: Smart Key System - Circuit Diagram (16 Of 16)
G07611568Courtesy of © TOYOTA, LICENSE AGREEMENT TMS1002