LEMON Manuals: Even more car manuals for everyone: 1960-2025
Home >> Toyota >> 2009 >> RAV4 Base, 2.5 F, AWD >> Repair and Diagnosis >> Engine Performance >> System >> Engine Control System (2AR-FE) - Service Information & Circuit Tests >> Cranking Holding Function Circuit >> Wiring Diagram
April 5, 2026: LEMON Manuals is launched! Read the announcement.

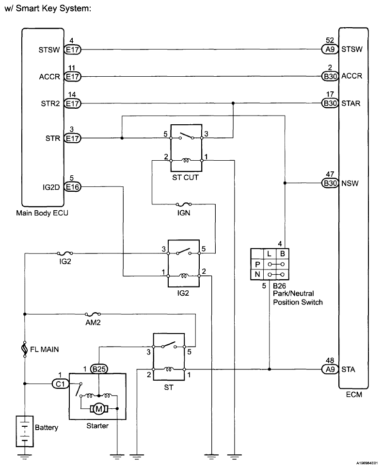
Cranking Holding Function Circuit: Wiring Diagram

Fig 1: Cranking Holding Function Circuit - Wiring Diagram
G05996993Courtesy of © TOYOTA, LICENSE AGREEMENT TMS1002