LEMON Manuals: Even more car manuals for everyone: 1960-2025
Home >> Toyota >> 2009 >> RAV4 Base, 2.5 F, AWD >> Repair and Diagnosis >> External Pages >> Different car >> Section 379 (Occupant Classification System (Diagnostic Codes & Circuit Tests)) >> Occupant Classification System >> DTC B1773: Belt Tension Sensor Circuit Malfunction; DTC B1776: Seat Belt Tension Sensor Power Source Circuit Malfunction >> Wiring Diagram
April 5, 2026: LEMON Manuals is launched! Read the announcement.

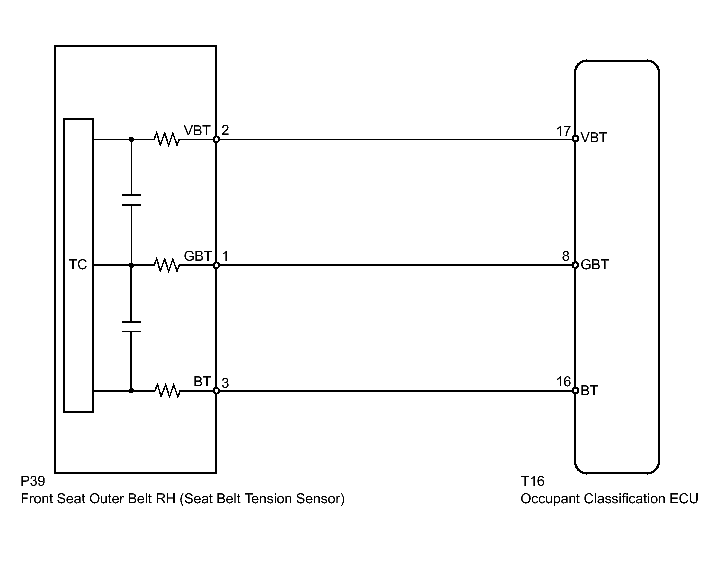
DTC B1773: Belt Tension Sensor Circuit Malfunction; DTC B1776: Seat Belt Tension Sensor Power Source Circuit Malfunction: Wiring Diagram

WARNING: This page is about a different car, the 2009 Lexus IS 350 and 2009 Lexus IS 250. However, it is still accessible from the selected car via links, so may be relevant.
Fig 1: Belt Tension Sensor - Wiring Diagram
GTY141371Courtesy of © TOYOTA, LICENSE AGREEMENT TMS1002