LEMON Manuals: Even more car manuals for everyone: 1960-2025
Home >> Toyota >> 2009 >> RAV4 Base, 3.5 K, AWD >> Repair and Diagnosis >> Engine Performance >> System >> Engine Control System (2GR-FE) - Diagnostic Introduction >> SFI System >> System Diagram
April 5, 2026: LEMON Manuals is launched! Read the announcement.

System Diagram

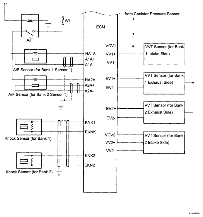
Fig 1: SFI System Diagram (1 Of 5)
G05997229Courtesy of © TOYOTA, LICENSE AGREEMENT TMS1002
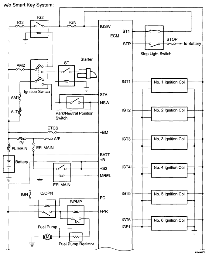
Fig 2: SFI System Diagram (2 Of 5)
G05997230Courtesy of © TOYOTA, LICENSE AGREEMENT TMS1002
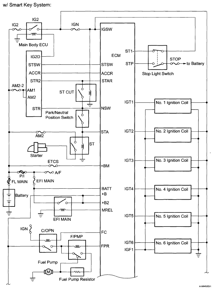
Fig 3: SFI System Diagram (3 Of 5)
G05997231Courtesy of © TOYOTA, LICENSE AGREEMENT TMS1002
Fig 4: SFI System Diagram (4 Of 5)
G05997232Courtesy of © TOYOTA, LICENSE AGREEMENT TMS1002
Fig 5: SFI System Diagram (5 Of 5)
G05997233Courtesy of © TOYOTA, LICENSE AGREEMENT TMS1002