LEMON Manuals: Even more car manuals for everyone: 1960-2025
Home >> Toyota >> 2009 >> Sienna CE >> Repair and Diagnosis (Single Page) >> Electrical >> Body Electrical >> OEM System Circuits >> Navigation System, Audio System (10 Speaker w/ Navigation System) and Parking Assist (Rear View Monitor) >> Notes
April 5, 2026: LEMON Manuals is launched! Read the announcement.

Navigation System, Audio System (10 Speaker w/ Navigation System) and Parking Assist (Rear View Monitor): Notes

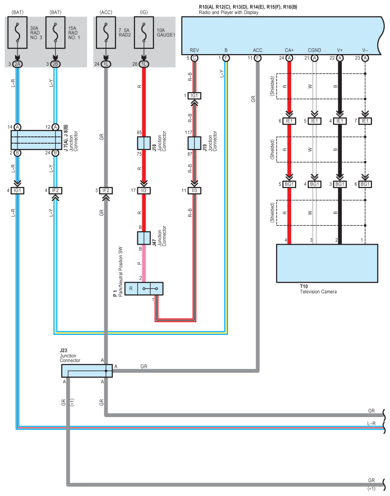
Fig 1: Navigation System, Audio System (10 Speaker W/ Navigation System) And Parking Assist (Rear View Monitor) - Circuit Diagram (1 Of 7)
G07609528Courtesy of © TOYOTA, LICENSE AGREEMENT TMS1002
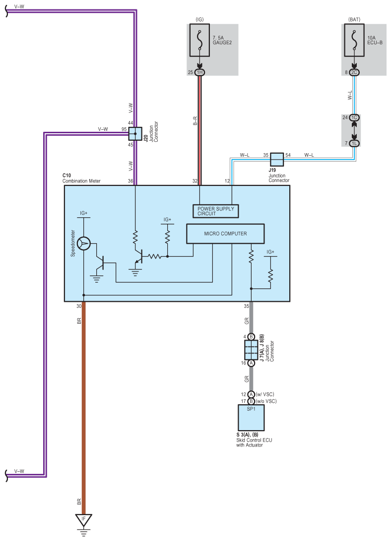
Fig 2: Navigation System, Audio System (10 Speaker W/ Navigation System) And Parking Assist (Rear View Monitor) - Circuit Diagram (2 Of 7)
G07609529Courtesy of © TOYOTA, LICENSE AGREEMENT TMS1002
Fig 3: Navigation System, Audio System (10 Speaker W/ Navigation System) And Parking Assist (Rear View Monitor) - Circuit Diagram (3 Of 7)
G07609530Courtesy of © TOYOTA, LICENSE AGREEMENT TMS1002
Fig 4: Navigation System, Audio System (10 Speaker W/ Navigation System) And Parking Assist (Rear View Monitor) - Circuit Diagram (4 Of 7)
G07609531Courtesy of © TOYOTA, LICENSE AGREEMENT TMS1002
Fig 5: Navigation System, Audio System (10 Speaker W/ Navigation System) And Parking Assist (Rear View Monitor) - Circuit Diagram (5 Of 7)
G07609532Courtesy of © TOYOTA, LICENSE AGREEMENT TMS1002
Fig 6: Navigation System, Audio System (10 Speaker W/ Navigation System) And Parking Assist (Rear View Monitor) - Circuit Diagram (6 Of 7)
G07609533Courtesy of © TOYOTA, LICENSE AGREEMENT TMS1002
Fig 7: Navigation System, Audio System (10 Speaker W/ Navigation System) And Parking Assist (Rear View Monitor) - Circuit Diagram (7 Of 7)
G07609534Courtesy of © TOYOTA, LICENSE AGREEMENT TMS1002