LEMON Manuals: Even more car manuals for everyone: 1960-2025
Home >> Toyota >> 2009 >> Sienna CE >> Repair and Diagnosis (Single Page) >> Electrical >> Body Electrical >> OEM System Circuits >> Remote Control Mirror (w/ Driving Position Memory) >> Notes
April 5, 2026: LEMON Manuals is launched! Read the announcement.

Remote Control Mirror (w/ Driving Position Memory): Notes

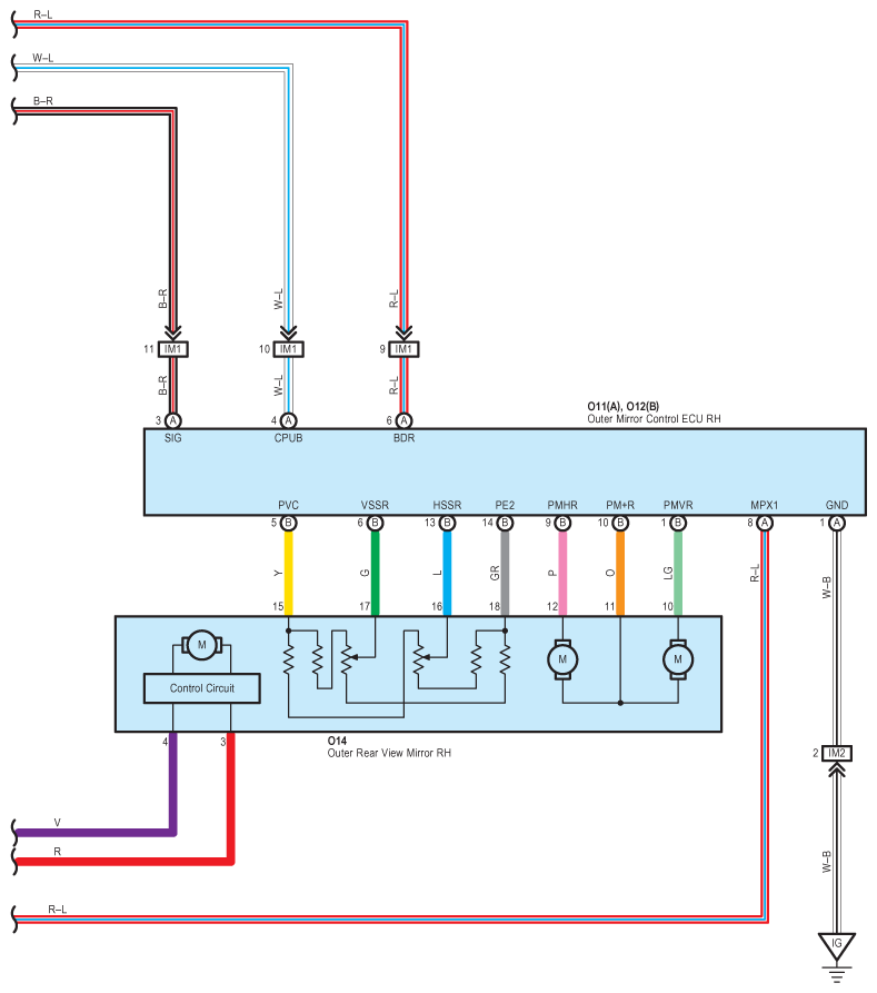
Fig 1: Remote Control Mirror (W/ Driving Position Memory) - Circuit Diagram (1 Of 4)
G07609501Courtesy of © TOYOTA, LICENSE AGREEMENT TMS1002
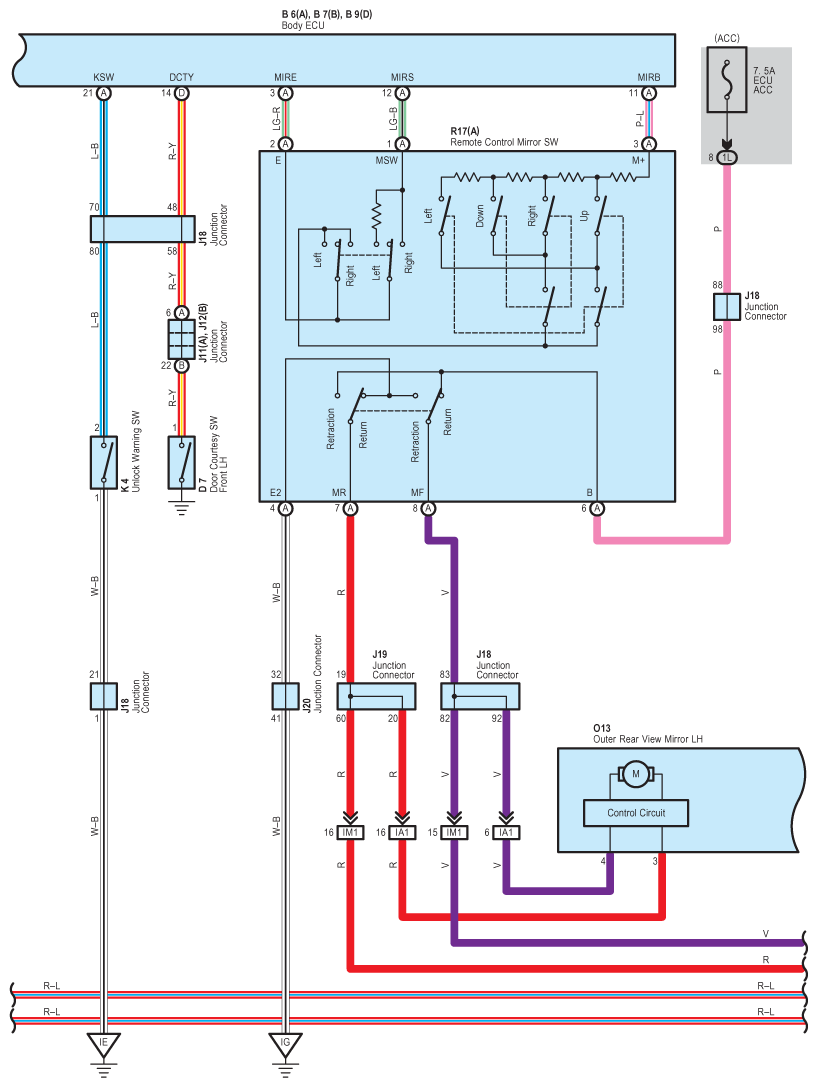
Fig 2: Remote Control Mirror (W/ Driving Position Memory) - Circuit Diagram (2 Of 4)
G07609502Courtesy of © TOYOTA, LICENSE AGREEMENT TMS1002
Fig 3: Remote Control Mirror (W/ Driving Position Memory) - Circuit Diagram (3 Of 4)
G07609503Courtesy of © TOYOTA, LICENSE AGREEMENT TMS1002
Fig 4: Remote Control Mirror (W/ Driving Position Memory) - Circuit Diagram (4 Of 4)
G07609504Courtesy of © TOYOTA, LICENSE AGREEMENT TMS1002