LEMON Manuals: Even more car manuals for everyone: 1960-2025
Home >> Toyota >> 2009 >> Sienna CE >> Repair and Diagnosis >> Electrical >> Body Electrical >> OEM System Circuits >> Power Window (w/ Jam Protection) >> Notes
April 5, 2026: LEMON Manuals is launched! Read the announcement.

Power Window (w/ Jam Protection): Notes

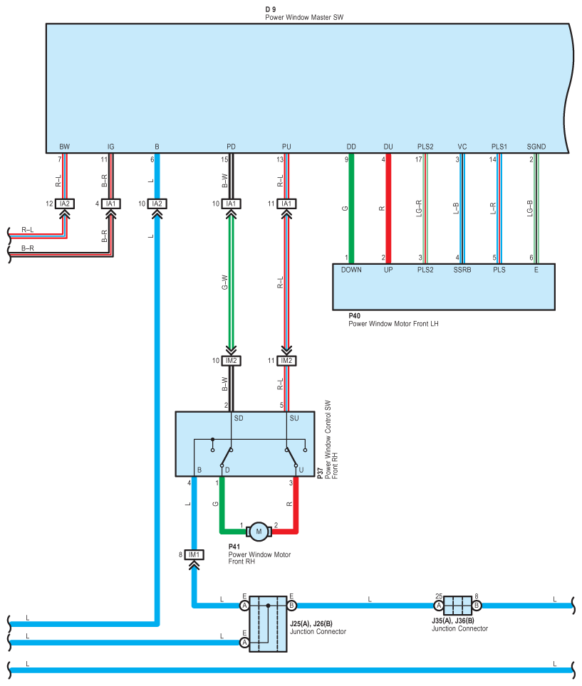
Fig 1: Power Window (W/ Jam Protection) - Circuit Diagram (1 Of 3)
G07609419Courtesy of © TOYOTA, LICENSE AGREEMENT TMS1002
Fig 2: Power Window (W/ Jam Protection) - Circuit Diagram (2 Of 3)
G07609420Courtesy of © TOYOTA, LICENSE AGREEMENT TMS1002
Fig 3: Power Window (W/ Jam Protection) - Circuit Diagram (3 Of 3)
G07609421Courtesy of © TOYOTA, LICENSE AGREEMENT TMS1002