LEMON Manuals: Even more car manuals for everyone: 1960-2025
Home >> Toyota >> 2009 >> Sienna CE >> Repair and Diagnosis >> Electrical >> Charging Systems >> Charging System >> System Diagram
April 5, 2026: LEMON Manuals is launched! Read the announcement.

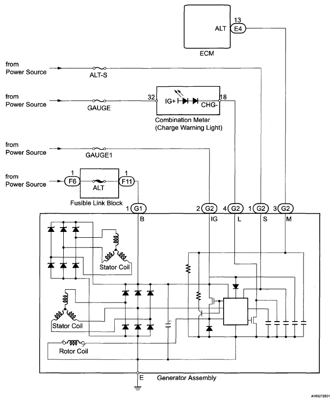
System Diagram

Fig 1: Charging System Diagram
G05140076Courtesy of © TOYOTA, LICENSE AGREEMENT TMS1002