LEMON Manuals: Even more car manuals for everyone: 1960-2025
Home >> Toyota >> 2009 >> Sienna LE, AWD >> Repair and Diagnosis >> Engine Performance >> Engine Control Systems >> Engine Control System - System & Component Testing, On-Vehicle Inspection, Removal, Inspection & Installation >> MIL Circuit >> Wiring Diagram
April 5, 2026: LEMON Manuals is launched! Read the announcement.

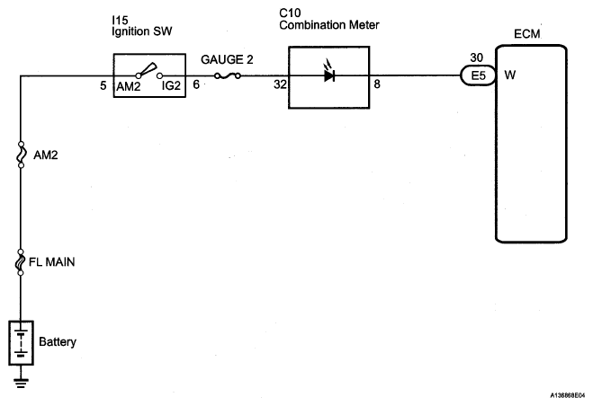
MIL Circuit: Wiring Diagram

Fig 1: Combination Meter And ECM - Wiring Diagram
G05136333Courtesy of © TOYOTA, LICENSE AGREEMENT TMS1002