LEMON Manuals: Even more car manuals for everyone: 1960-2025
Home >> Toyota >> 2009 >> Venza 2.7 E, AWD >> Repair and Diagnosis >> Brakes >> Traction Control >> Brake Control/Dynamic Control System >> Vehicle Stability Control System >> DTC C1249/49 Open in Stop Light Switch Circuit >> Wiring Diagram
April 5, 2026: LEMON Manuals is launched! Read the announcement.

DTC C1249/49 Open in Stop Light Switch Circuit: Wiring Diagram

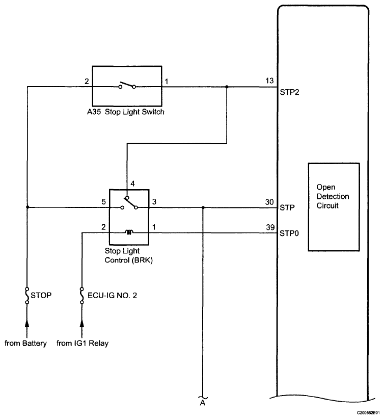
Fig 1: Stop Light Control Switch - Wiring Diagram (1 Of 2)
G06026105Courtesy of © TOYOTA, LICENSE AGREEMENT TMS1002
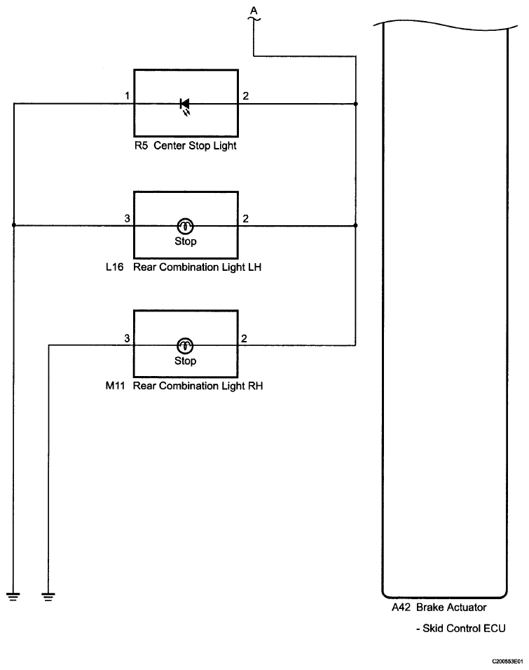
Fig 2: Stop Light Control Switch - Wiring Diagram (2 Of 2)
G06026106Courtesy of © TOYOTA, LICENSE AGREEMENT TMS1002