LEMON Manuals: Even more car manuals for everyone: 1960-2025
Home >> Toyota >> 2009 >> Venza 2.7 E, AWD >> Repair and Diagnosis >> Engine Performance >> System >> Engine Control System (1AR-FE) - System Testing, Removal & Installation >> EVAP System >> Wiring Diagram
April 5, 2026: LEMON Manuals is launched! Read the announcement.

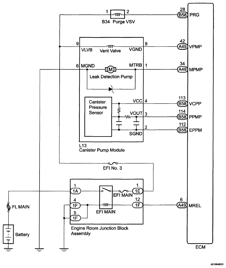
EVAP System: Wiring Diagram

Fig 1: EVAP System - Wiring Diagram
G06023181Courtesy of © TOYOTA, LICENSE AGREEMENT TMS1002