LEMON Manuals: Even more car manuals for everyone: 1960-2025
Home >> Toyota >> 2009 >> Venza 3.5 K, AWD >> Repair and Diagnosis >> Engine Performance >> System >> Engine Control System (2GR-FE) - System And Component Inspection, Testing And R & I >> EVAP System >> Wiring Diagram
April 5, 2026: LEMON Manuals is launched! Read the announcement.

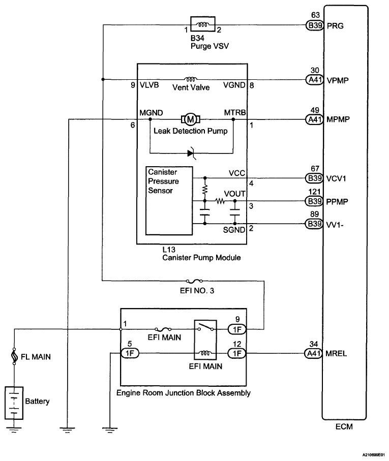
EVAP System: Wiring Diagram

Fig 1: EVAP System - Wiring Pattern
G06023864Courtesy of © TOYOTA, LICENSE AGREEMENT TMS1002