LEMON Manuals: Even more car manuals for everyone: 1960-2025
Home >> Toyota >> 2009 >> Venza 3.5 K, AWD >> Repair and Diagnosis >> Engine Performance >> System >> Engine Control System (2GR-FE) - System And Component Inspection, Testing And R & I >> Ignition System >> System Diagram
April 5, 2026: LEMON Manuals is launched! Read the announcement.

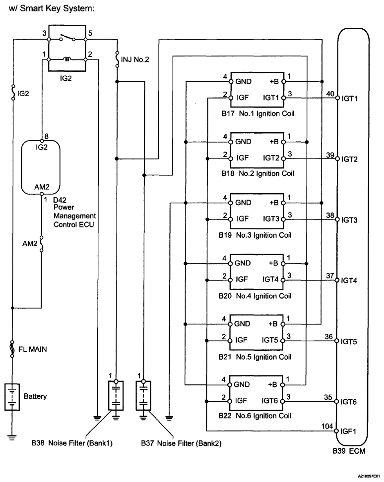
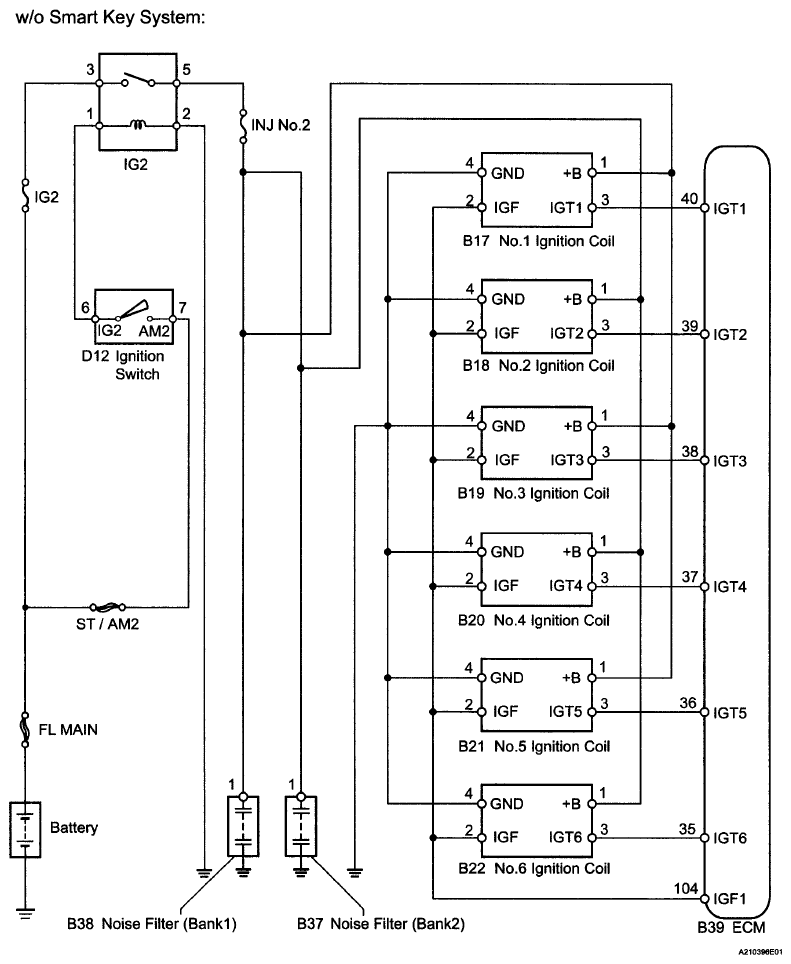
System Diagram

Fig 1: Ignition System Diagram (1 Of 2)
G06023955Courtesy of © TOYOTA, LICENSE AGREEMENT TMS1002
Fig 2: Ignition System Diagram (2 Of 2)
G06023956Courtesy of © TOYOTA, LICENSE AGREEMENT TMS1002