LEMON Manuals: Even more car manuals for everyone: 1960-2025
Home >> Toyota >> 2009 >> Venza 3.5 K, AWD >> Repair and Diagnosis >> Engine Performance >> System >> Engine Control System (2GR-FE) - System And Component Inspection, Testing And R & I >> VC Output Circuit >> Wiring Diagram
April 5, 2026: LEMON Manuals is launched! Read the announcement.

VC Output Circuit: Wiring Diagram

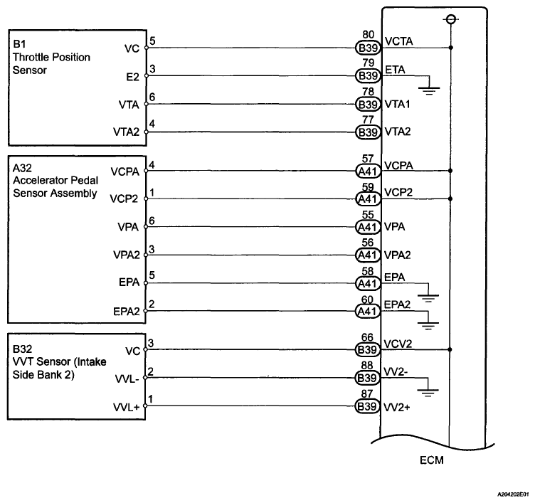
Fig 1: VC Output - Wiring Pattern (1 Of 2)
G06023907Courtesy of © TOYOTA, LICENSE AGREEMENT TMS1002
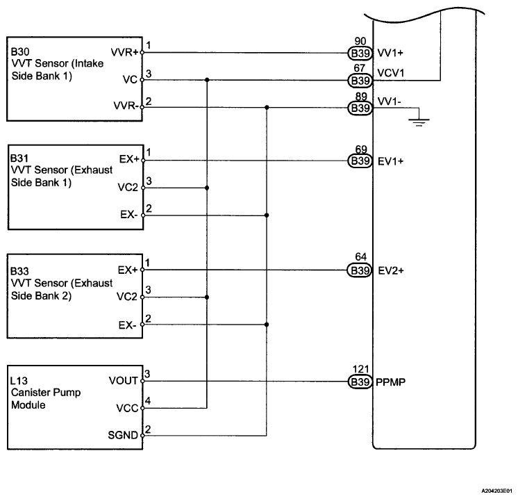
Fig 2: VC Output - Wiring Pattern (2 Of 2)
G06023908Courtesy of © TOYOTA, LICENSE AGREEMENT TMS1002