LEMON Manuals: Even more car manuals for everyone: 1960-2025
Home >> Toyota >> 2009 >> Yaris Base, 4D Hatchback >> Repair and Diagnosis >> Body & Frame >> Windows >> Windshield/Window Glass >> Window Defogger System >> System Diagram
April 5, 2026: LEMON Manuals is launched! Read the announcement.

System Diagram

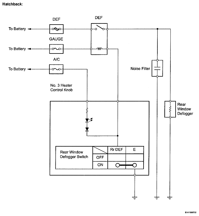
Fig 1: Identifying Window Defogger System Diagram (Hatchback)
G04833935Courtesy of © TOYOTA, LICENSE AGREEMENT TMS1002
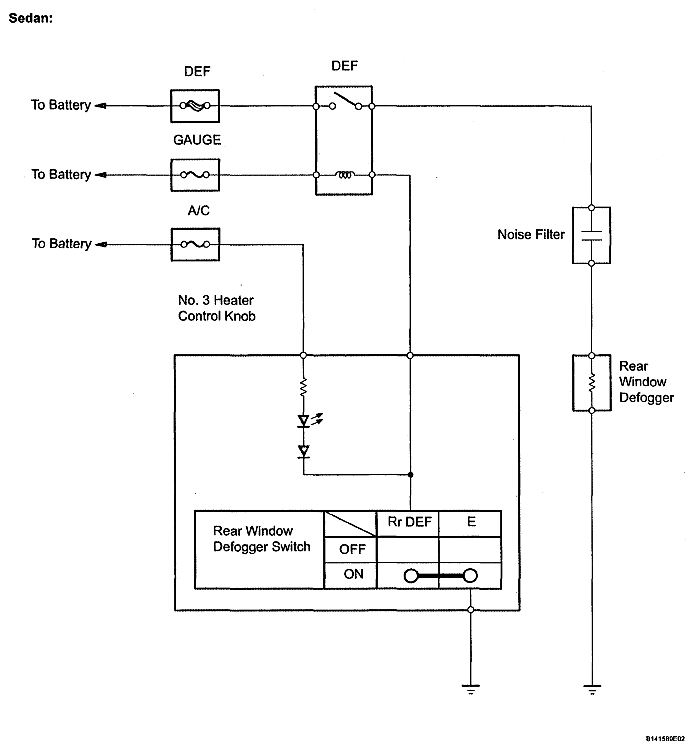
Fig 2: Identifying Window Defogger System Diagram (Sedan)
G04833936Courtesy of © TOYOTA, LICENSE AGREEMENT TMS1002