LEMON Manuals: Even more car manuals for everyone: 1960-2025
Home >> Toyota >> 2010 >> Corolla Base, Standard >> Repair and Diagnosis >> Electrical >> Body Electrical >> OEM System Circuits >> Audio System (TMC Made) >> Notes
April 5, 2026: LEMON Manuals is launched! Read the announcement.

Audio System (TMC Made): Notes

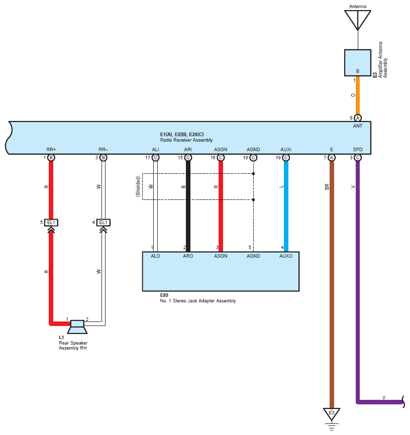
Fig 1: Audio System (TMC Made) - Circuit Diagram (1 Of 3)
G07551175Courtesy of © TOYOTA, LICENSE AGREEMENT TMS1002
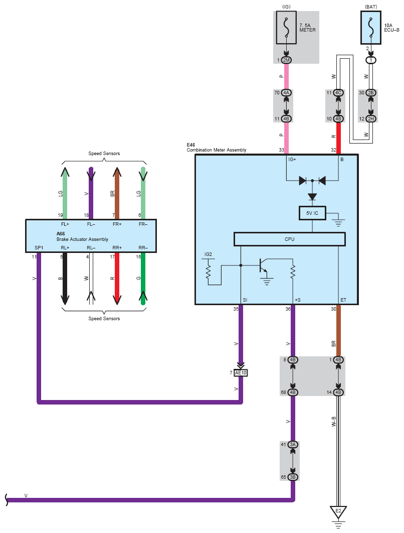
Fig 2: Audio System (TMC Made) - Circuit Diagram (2 Of 3)
G07551176Courtesy of © TOYOTA, LICENSE AGREEMENT TMS1002
Fig 3: Audio System (TMC Made) - Circuit Diagram (3 Of 3)
G07551177Courtesy of © TOYOTA, LICENSE AGREEMENT TMS1002