LEMON Manuals: Even more car manuals for everyone: 1960-2025
Home >> Toyota >> 2010 >> Corolla Base, Standard >> Repair and Diagnosis >> Electrical >> Body Electrical >> OEM System Circuits >> Key Reminder (w/o Smart Key System) (Except TMC Made) >> Notes
April 5, 2026: LEMON Manuals is launched! Read the announcement.

Key Reminder (w/o Smart Key System) (Except TMC Made): Notes

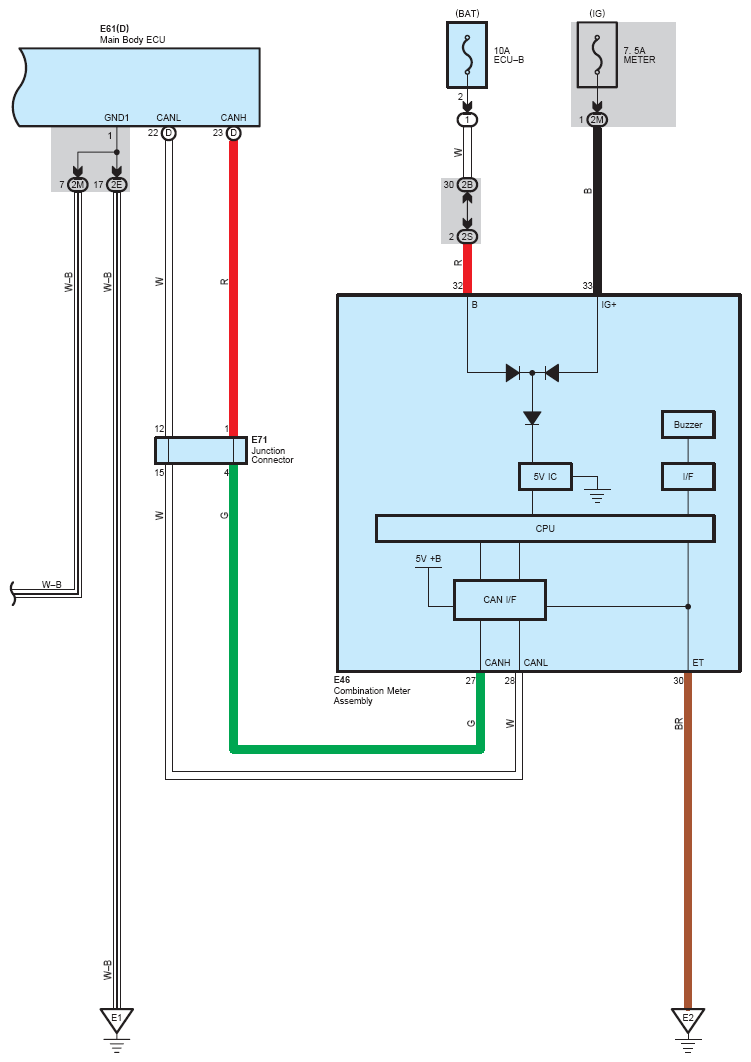
Fig 1: Key Reminder (W/O Smart Key System) (Except TMC Made) - Circuit Diagram (1 Of 2)
G07551265Courtesy of © TOYOTA, LICENSE AGREEMENT TMS1002
Fig 2: Key Reminder (W/O Smart Key System) (Except TMC Made) - Circuit Diagram (2 Of 2)
G07551266Courtesy of © TOYOTA, LICENSE AGREEMENT TMS1002