LEMON Manuals: Even more car manuals for everyone: 1960-2025
Home >> Toyota >> 2010 >> Corolla Base, Standard >> Repair and Diagnosis >> Electrical >> Body Electrical >> OEM System Circuits >> Remote Control Mirror (Except TMC Made) >> Notes
April 5, 2026: LEMON Manuals is launched! Read the announcement.

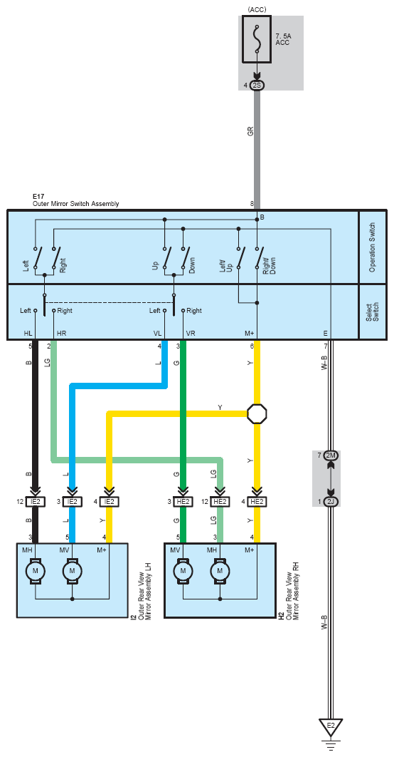
Remote Control Mirror (Except TMC Made): Notes

Fig 1: Remote Control Mirror (Except TMC Made) - Circuit Diagram
G07551346Courtesy of © TOYOTA, LICENSE AGREEMENT TMS1002